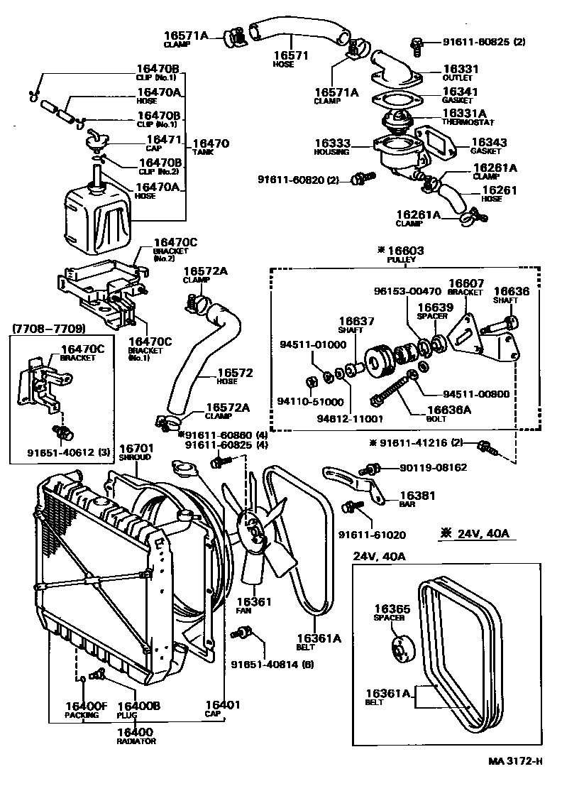
RADIATOR & WATER OUTLET

16331OUTLET, WATER
16333HOUSING, WATER OUTLET
16361FAN
7 BLADES,OD=380
16361ABELT, V(FOR FAN & ALTERNATOR)
24V 40A,DOUBLE V BELTS
L=1175
L=870
L=880
COLD SPEC,W/COOLER,L=890
L=880
L=1176
16365SPACER, FAN
24V 40A ALTERNATOR
24V 40A ALTERNATOR
16381BAR, FAN BELT ADJUSTING
LH
LH
RH
16400BPLUG, RADIATOR DRAIN COCK
16401CAP SUB-ASSY, RADIATOR
16470TANK ASSY, RADIATOR RESERVE
sub16470-24031
16470AHOSE OR PIPE(FOR RADIATOR RESERVE TANK)
sub90445-12043
16470BCLAMP OR CLIP(FOR RADIATOR RESERVE TANK HOSE)
N0.1
N0.2
16470CBRACKET(FOR RADIATOR RESERVE TANK)
NO.1
NO.2
16471CAP SUB-ASSY, RESERVE TANK
sub16471-87606
16571HOSE, RADIATOR, INLET
16571ACLAMP OR CLIP, HOSE(FOR RADIATOR INLET)
ID=50
RADIATOR SIDE,ID=43
RADIATOR SIDE,ID=45
16572HOSE, RADIATOR, OUTLET
16572ACLAMP OR CLIP, HOSE(FOR RADIATOR OUTLET NO.1)
ID=50
ID=45
ID=46
ID=56
16603PULLEY SUB-ASSY, IDLER, NO.1
24V 40A ALTERNATOR
24V 40A ALTERNATOR
16607BRACKET SUB-ASSY, IDLER PULLEY, NO.1
24V 40A ALTERNATOR
24V 40A ALTERNATOR
16636SHAFT, IDLER PULLY, NO.1
24V 40A ALTERNATOR
16636ABOLT(FOR IDLER PULLY TENSION)
24V 40A ALTERNATOR
16637SHAFT, IDLER PULLY, NO.2
24V 40A ALTERNATOR
16639SPACER, IDLER PULLEY
24V 40A ALTERNATOR
16701SHROUD SUB-ASSY, FAN
COLD SPEC
COLD SPEC
9011908162
main90119-08162
9161141216
main91611-41216
9161160820
main91611-60820
9161160825
main91611-60825
9161160860
main91611-60860
9161161020
main91611-61020
9165140612
main91651-40612
9165140814
main91651-40814
9411051000
main94110-51000
9451100800
main94511-00800
9451101000
main94511-01000
9461211001
main94612-11001
9615300470
main96153-00470
44 parts on this diagram · 5 diagrams in section