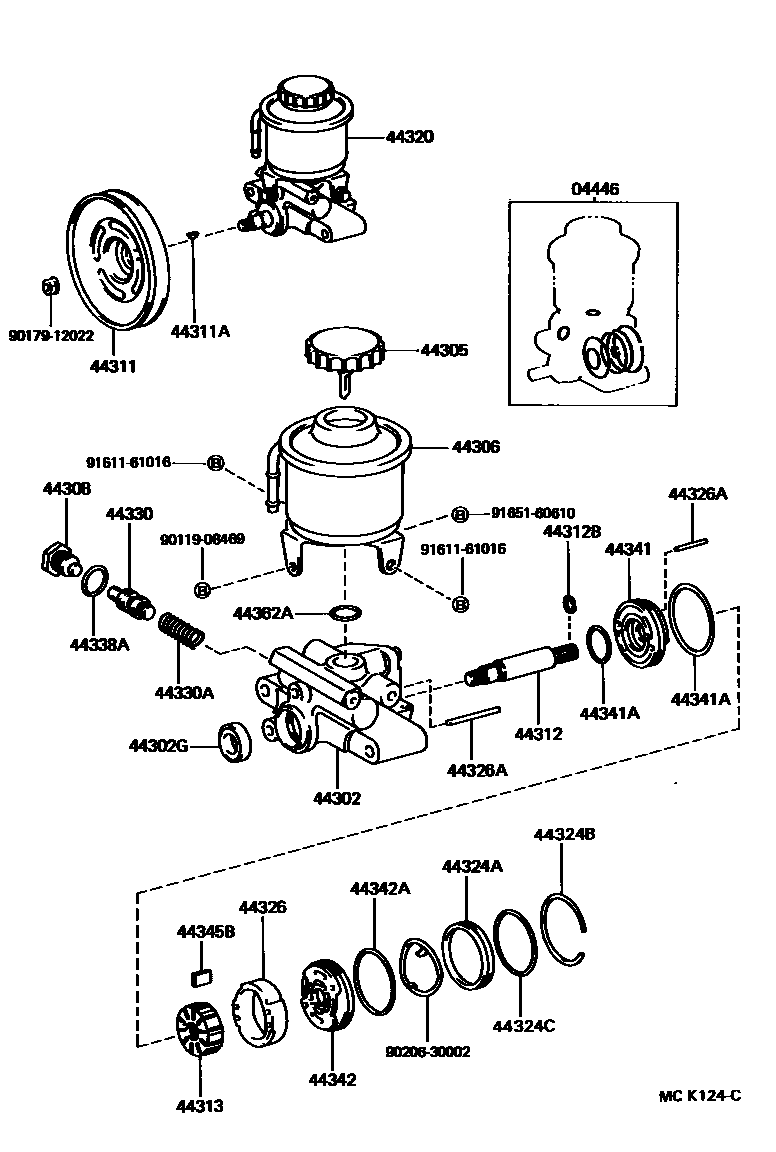
VANE PUMP & RESERVOIR (POWER STEERING)

44302HOUSING SUB-ASSY, VANE PUMP, FRONT
44308UNION SUB-ASSY, PRESSURE PORT
44311PULLEY, VANE PUMP
44311AKEY, VANE PUMP PULLEY
44312SHAFT, VANE PUMP
44312BRING, SNAP, NO.1(FOR VANE PUMP SHAFT)
44313ROTOR, VANE PUMP
44324AHOUSING, PUMP, REAR
44324BRING, HOLE SNAP(FOR PUMP HOUSING REAR)
44326RING, CAM(FOR VANE PUMP)
44326APIN, STRAIGHT(FOR VANE PUMP CAM RING)
44330VALVE ASSY, FLOW CONTROL
sub44330-35250
sub44330-35260
sub44330-35270
sub44330-35280
sub44330-35290
sub44330-35300
sub44330-36171
sub44330-36181
sub44330-36191
44330ASPRING, COMPRESSION(FOR FLOW CONTROL VALVE)
44341PLATE, VANE PUMP SIDE, FRONT
44342PLATE, VANE PUMP SIDE, REAR
44345BPLATE, VANE PUMP
44362ARING, O(FOR VANE PUMP OIL RESERVOIR)
sub90301-11016
9011908469
main90119-08469
9017912022
main90179-12022
9020630002
main90206-30002
9161161016
main91611-61016
9165160610
main91651-60610
31 parts on this diagram · 5 diagrams in section