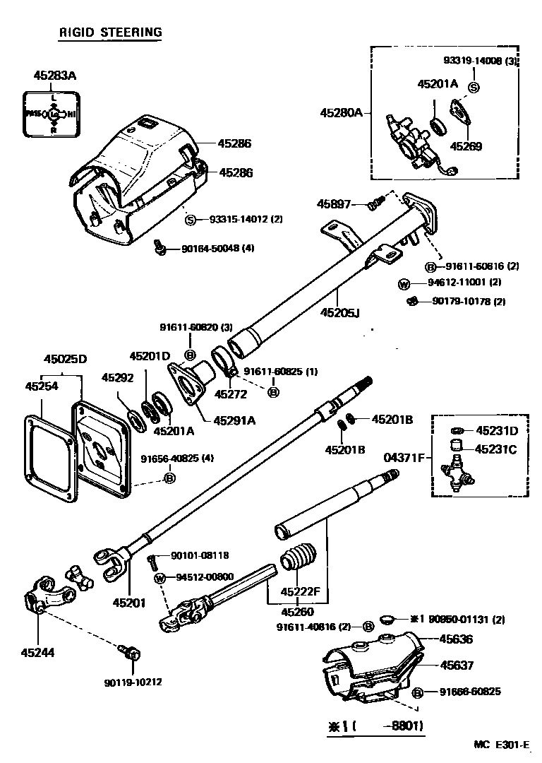
STEERING COLUMN & SHAFT

04371FSPIDER KIT, UNIVERSAL JOINT(FOR STEERING MAIN SHAFT)
45025DCOVER SUB-ASSY, STEERING COLUMN HOLE, NO.1
45201SHAFT SUB-ASSY, STEERING MAIN
45201ABEARING(FOR STEERING MAIN SHAFT)
CTR
45201BRING, SHAFT SNAP(FOR STEERING MAIN SHAFT)
45201DRING(FOR STEERING MAIN SHAFT)
45205JTUBE SUB-ASSY, STEERING COLUMN, UPPER
45222FCOVER, DUST
45231CBEARING, UNIVERSAL JOINT SPIDER(FOR STEERING MAIN SHAFT)
45231DRING, HOLE SNAP(FOR STEERING MAIN SHAFT)
45244YOKE, STEERING WORM
45254SHIELD, STEERING COLUMN HOLE
45260SHAFT ASSY, STEERING INTERMEDIATE, NO.2
45269RETAINER, MAIN SHAFT BEARING
45272CLAMP, STEERING COLUMN, LOWER
45280ABRACKET ASSY, STEERING COLUMN, UPPER
45283APLATE, BEAM CHANGE & TURN SIGNAL CAUTION
45291SEAL, MAIN SHAFT UPPER DUST
45291ASUPPORT, STEERING COLUMN TUBE
45292SEAL, MAIN SHAFT LOWER DUST
45636PROTECTOR, INTERMEDIATE LINK JOINT, UPPER
45637PROTECTOR, INTER LINK JOINT, LWR NO.1
9010108118
main90101-08118
9011910212
main90119-10212
9016450048
main90164-50048
9017910178
main90179-10178
9095001131
main90950-01131
9161140816
main91611-40816
9161160616
main91611-60616
9161160820
main91611-60820
9161160825
main91611-60825
9165640825
main91656-40825
9166660825
main91666-60825
9331514012
main93315-14012
9331914008
main93319-14008
9451200800
main94512-00800
9461211001
main94612-11001
39 parts on this diagram · 3 diagrams in section