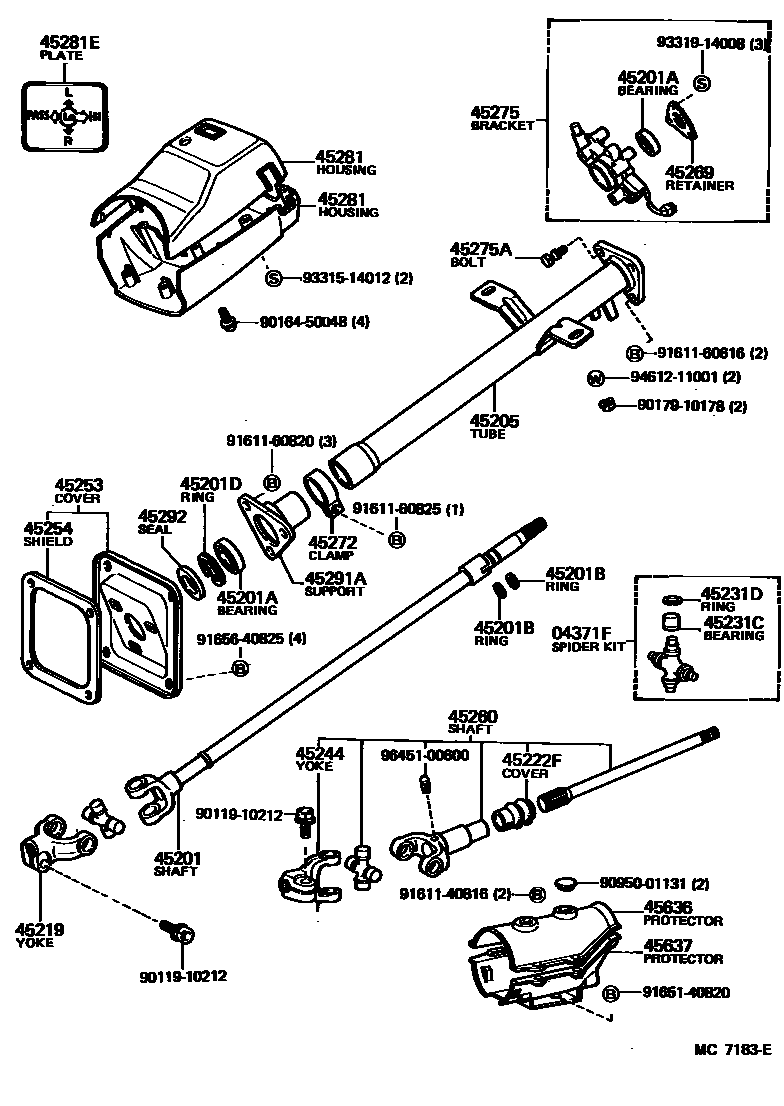
STEERING COLUMN & SHAFT

04371FSPIDER KIT, UNIVERSAL JOINT(FOR STEERING MAIN SHAFT)
45201SHAFT SUB-ASSY, STEERING MAIN
W/TILT STEERING
45201ABEARING(FOR STEERING MAIN SHAFT)
UPR,W/TILT STEERING
UPR
CTR,W/TILT STEERING
LWR
45201BRING, SHAFT SNAP(FOR STEERING MAIN SHAFT)
45201DRING(FOR STEERING MAIN SHAFT)
45205TUBE SUB-ASSY, STEERING COLUMN
W/TILT STEERING
45219YOKE, STEERING SLIDING
45222FCOVER, DUST
45231CBEARING, UNIVERSAL JOINT SPIDER(FOR STEERING MAIN SHAFT)
45231DRING, HOLE SNAP(FOR STEERING MAIN SHAFT)
T=1.20
T=1.25
T=1.30
45244YOKE, STEERING WORM
45253COVER, STEERING COLUMN HOLE
45254SHIELD, STEERING COLUMN HOLE
45269RETAINER, MAIN SHAFT BEARING
45272CLAMP, STEERING COLUMN, LOWER
45275BRACKET, STEERING COLUMN, UPPER
W/TILT STEERING
W/TILT STEERING
W/TILT STEERING
45275ABOLT, HEXAGON(FOR STEERING COLUMN BRACKET)
45281HOUSING, STEERING COLUMN
UPR,SHADOW GRAY W/*TIS,GRAY,TRIM1#
UPR,DARK BROWN W/*TIS,BROWN,TRIM4#
UPR,SEPIA BROWN,W/*TIS,SEPIA BROWN,TRIM4#
URR,SEPIA BROWN,SEPIA BROWN,TRIM4#
sub45286-60934
UPR
LWR,W/*TIS,SHADOW GRAY,GRAY
LWR,DARK BROWN W/*TIS,BROWN,TRIM4#
LWR,SEPIA BROWN,W/*TIS,SEPIA BROWN,TRIM4#
LWR,SEPIA BROWN,SEPIA BROWN,TRIM4#
sub45286-60934
LWR
45281EPLATE, SAFETY CAUTION
45291ASUPPORT, STEERING COLUMN TUBE
45292SEAL, MAIN SHAFT LOWER DUST
45636PROTECTOR, INTERMEDIATE LINK JOINT, UPPER
W/POWER STEERING
45637PROTECTOR, INTER LINK JOINT, LWR NO.1
W/POWER STEERING
9011910212
main90119-10212
9016450048
main90164-50048
9017910178
main90179-10178
9095001131
main90950-01131
9161140816
main91611-40816
9161160616
main91611-60616
9161160820
main91611-60820
9161160825
main91611-60825
9165140820
main91651-40820
9165640825
main91656-40825
9331514012
main93315-14012
9331914008
main93319-14008
9461211001
main94612-11001
9645100600
main96451-00600
38 parts on this diagram · 4 diagrams in section