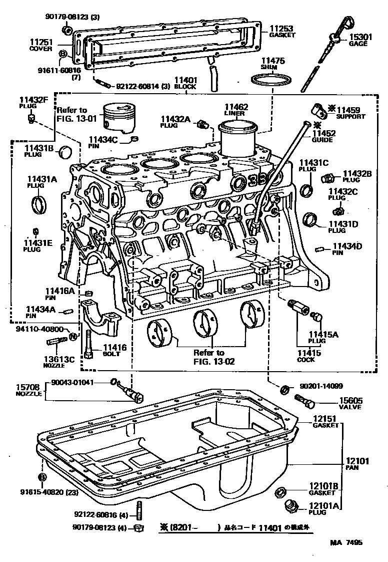
CYLINDER BLOCK

11251COVER, VALVE PUSH ROD
11415COCK SUB-ASSY, WATER DRAIN(FOR CYLINDER BLOCK)
11415APLUG, WATER DRAIN COCK(FOR CYLINDER BLOCK)
11416BOLT(FOR CRANKSHAFT BEARING CAP SET)
*13-1.5PX78.5-20
*13-1.5PX81-25
NO.1,2,3,*18-2PX65-27
*14-1.5PX81-25
*16-2PX88.5-32
FR,*14-2.0PX67-29
NO.4,*12-1.75X68-26
11416APIN, RING(FOR CRANKSHAFT BEARING CAP SET)
NO.4
NO.1.2.3
NO.1.2.3
11431APLUG, TIGHT, NO.1(FOR CYLINDER BLOCK)
OD=51
OD=35
OD=50
11431BPLUG, TIGHT, NO.2(FOR CYLINDER BLOCK)
OD=35,ID=12
OD=35,ID=14
OD=28
OD=20
OD=28
11431CPLUG, TIGHT, NO.3(FOR CYLINDER BLOCK)
OD=30
OD=25
OD=30
OD=50
11431DPLUG, TIGHT, NO.4(FOR CYLINDER BLOCK)
OD=35
OD=35
11431EPLUG, TIGHT, NO.5(FOR CYLINDER BLOCK)
OD=21
OD=14
OD=18
OD=14,WATER JACKET
OD=18
11432CPLUG, W/HEAD TAPER SCREW, NO.3
11432FPLUG, W/HEAD TAPER SCREW, NO.4
11434APIN, STRAIGHT(FOR TIMING GEAR COVER SET)
11434CPIN, STRAIGHT (FOR CYLINDER HEAD SET)
11434DPIN, STRAIGHT(FOR ENGINE REAR OIL SEAL)
11452GUIDE, OIL LEVEL GAGE
11459SUPPORT, OIL LEVEL GAGE GUIDE
11462LINER, CYLINDER
11475SHIM, CYLINDER LINER
T=0.05
T=0.05
T=0.10
T=0.10
12101APLUG(FOR OIL PAN DRAIN)
OD=12
OD=25
12101BGASKET(FOR OIL PAN DRAIN PLUG)
sub90430-18023
1301
1302
13613CNOZZLE, OIL
15605VALVE SUB-ASSY, OIL CHECK
9004301041
main90043-01041
9017908123
main90179-08123
9020114099
main90201-14099
9161160816
main91611-60816
9161540820
main91615-40820
9212260814
main92122-60814
9212260816
main92122-60816
9411040800
main94110-40800
41 parts on this diagram · 10 diagrams in section