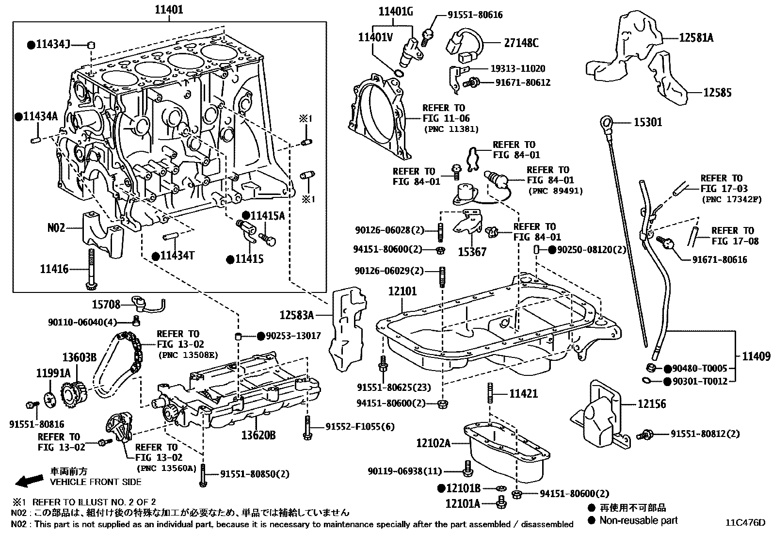
CYLINDER BLOCK

1106
11401GSENSOR, CRANK POSITION
11401VO-RING, CRANK POSITION SENSOR
11415COCK SUB-ASSY, WATER DRAIN(FOR CYLINDER BLOCK)
11415APLUG, WATER DRAIN COCK(FOR CYLINDER BLOCK)
11416BOLT(FOR CRANKSHAFT BEARING CAP SET)
11421BOLT, STUD(FOR OIL PAN)
11434APIN, STRAIGHT(FOR TIMING GEAR COVER SET)
11434JPIN, RING (FOR CYLINDER HEAD SET)
11434TPIN, RING(FOR TIMING BELT IDLER BRACKET SET)
11991APLATE, BALANCESHAFT THRUST, NO.1
12101PAN SUB-ASSY, OIL
12101APLUG(FOR OIL PAN DRAIN)
12101BGASKET(FOR OIL PAN DRAIN PLUG)
12102APAN SUB-ASSY, OIL, NO.2
12156INSULATOR, OIL PAN
12581AINSULATOR, CYLINDER BLOCK, NO.1
12583AINSULATOR, CYLINDER BLOCK, NO.3
12585INSULATOR, CYLINDER BROCK, NO.5
1302
13603BGEAR SUB-ASSY, BALANCESHAFT
15301GAGE SUB-ASSY, OIL LEVEL
15367BRACKET, OIL LEVEL SENSOR
15708NOZZLE SUB-ASSY, OIL, NO.1
1703
1708
27148CWIRE, CONNECTING
8401
1931311020BRACKET, CRANK POSITION SENSOR HARNESS
main19313-11020
9011006040
main90110-06040
9011906938
main90119-06938
9012606028
main90126-06028
9012606029
main90126-06029
9025008120
main90250-08120
9025313017
main90253-13017
90301T0012
main90301-T0012
90480T0005
main90480-T0005
9155180616
main91551-80616
9155180625
main91551-80625
9155180812
main91551-80812
9155180816
main91551-80816
9155180850
main91551-80850
91552F1055
main91552-F1055
9167180612
main91671-80612
9167180616
main91671-80616
9415180600
main94151-80600
49 parts on this diagram · 3 diagrams in section