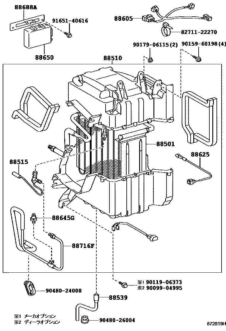
HEATING & AIR CONDITIONING - COOLER UNIT

88501EVAPORATOR SUB-ASSY, COOLER, NO.1
88510UNIT ASSY, COOLER
88539HOSE, COOLER UNIT DRAIN, NO.1
88625THERMISTOR, COOLER, NO.1
sub88625-87001
88645GSWITCH, PRESSURE
88688ABRACKET, COOLER STABILIZER AMPLIFIER
88716FPIPE, COOLER REFRIGERANT LIQUID, F
8271122270WIRE, FUSE TO FUSE(FOR COMBUSTION HEATER)
main82711-22270
9009904995
main90099-04995
9011906373
main90119-06373
9015960198
main90159-60198
9017906115
main90179-06115
9048024008
main90480-24008
9048026004
main90480-26004
9165140616
main91651-40616
18 parts on this diagram · 2 diagrams in section