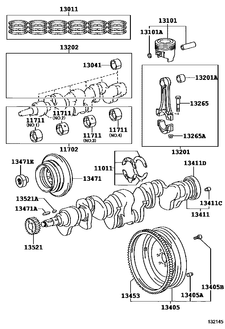
CRANKSHAFT & PISTON

11011WASHER SET, CRANKSHAFT THRUST
sub11011-61020
sub11012-61020
sub11012-30010
sub11013-61020
sub11013-30010
11702BEARING SET, CRANKSHAFT
sub11704-17011
sub11704-54080
sub11704-61020
sub11704-67021
sub11705-17011
sub11705-54080
sub11705-61020
sub11705-67021
11711BEARING, CRANKSHAFT
sub11071-61020
sub11071-61020
sub11071-61020
sub11071-61020
sub11071-61020
sub11072-61020
sub11072-61020
sub11072-61020
sub11072-61020
sub11072-61020
sub11073-61020
sub11073-61020
sub11073-61020
sub11073-61020
sub11073-61020
MARK 2
MARK 3
MARK 4
MARK 5
MARK 6
MARK 7
sub11701-61020
sub11701-61020
sub11701-61020
sub11701-61020
sub11701-61020
13011RING SET, PISTON
sub13011-17011
sub13011-17020
sub13011-17030
sub13011-18011
sub13011-18020
sub13011-67030
sub13013-17011
sub13013-17020
sub13013-17030
sub13013-18011
sub13013-18020
sub13013-67030
sub13014-17030
sub13014-67030
sub13015-67030
13041BEARING, CONNECTING ROD
MARK 2
MARK 3
MARK 4
MARK 5
MARK 6
13101PISTON SUB-ASSY, W/PIN
sub13101-17071
sub13101-17071
sub13101-17071
sub13101-54091
sub13101-54091
sub13101-54091
sub13101-67030
sub13101-67030
sub13101-67030
sub13103-17071
sub13103-54091
sub13103-67030
sub13104-17100
sub13104-54091
sub13104-67030
sub13105-54091
sub13105-67030
13101ARING, HOLE SNAP(FOR PISTON PIN)
13201ABUSH(FOR CONNECTING ROD SMALL END)
13202BEARING SET, CONNECTING ROD
sub13204-17011
sub13204-18041
sub13204-54042
sub13204-67031
sub13205-17011
sub13205-18041
sub13205-54042
sub13205-67031
13265ANUT, HEXAGON(FOR CONNECTING ROD BOLT)
13405APIN, STRAIGHT(FOR FLYWHEEL)
13405BBOLT, FLYWHEEL SETTING
13411DSEAL, OIL(FOR CRANKSHAFT)
13453GEAR, FLYWHEEL RING
13471ENUT(FOR CRANKSHAFT PULLEY)
13521GEAR OR SPROCKET, CRANKSHAFT TIMING
24 parts on this diagram · 5 diagrams in section