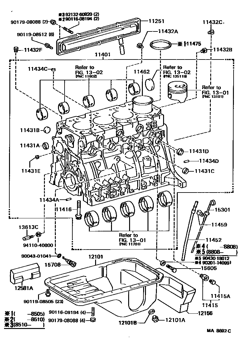
CYLINDER BLOCK

11401BLOCK SUB-ASSY, CYLINDER
sub11401-59406
11416BOLT(FOR CRANKSHAFT BEARING CAP SET)
*16-2PX88.5-32
*12-1.25PX80-24
*16-2PX93.5-32
*16-2PX129.5-32
11431APLUG, TIGHT, NO.1(FOR CYLINDER BLOCK)
OD=51
OD=25
11431BPLUG, TIGHT, NO.2(FOR CYLINDER BLOCK)
OD=28
OD=35
11431CPLUG, TIGHT, NO.3(FOR CYLINDER BLOCK)
OD=30
OD=50
11431DPLUG, TIGHT, NO.4(FOR CYLINDER BLOCK)
OD=35
11431EPLUG, TIGHT, NO.5(FOR CYLINDER BLOCK)
OD=14,WATER JACKET
OD=14,OIL HOLE
11432BPLUG, W/HEAD TAPER SCREW, NO.2
11432CPLUG, W/HEAD TAPER SCREW, NO.3
11432FPLUG, W/HEAD TAPER SCREW, NO.4
11434APIN, STRAIGHT(FOR TIMING GEAR COVER SET)
11434CPIN, STRAIGHT (FOR CYLINDER HEAD SET)
11434DPIN, STRAIGHT(FOR ENGINE REAR OIL SEAL)
11452GUIDE, OIL LEVEL GAGE
11459SUPPORT, OIL LEVEL GAGE GUIDE
11462LINER, CYLINDER
11475SHIM, CYLINDER LINER
T=0.05
T=0.10
12101APLUG(FOR OIL PAN DRAIN)
sub90033-41020
12156INSULATOR, OIL PAN
12581AINSULATOR, CYLINDER BLOCK, NO.1
1301
1302
13613CNOZZLE, OIL
15605VALVE SUB-ASSY, OIL CHECK
9004301041
main90043-01041
9011608194
main90116-08194
9011908505
main90119-08505
9011908512
main90119-08512
9017908088
main90179-08088
9020114099
main90201-14099
9043018012
main90430-18012
9213260820
main92132-60820
9411040800
main94110-40800
41 parts on this diagram · 3 diagrams in section