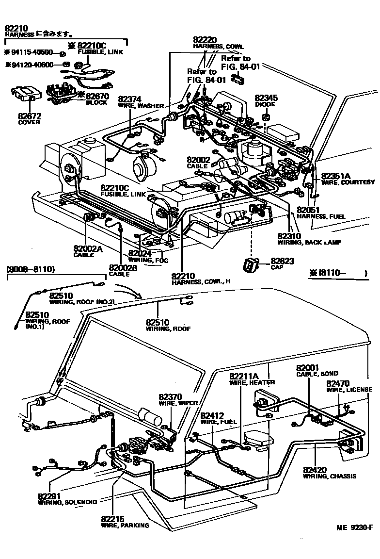
WIRING & CLAMP

82001CABLE, BOND, NO.1
82002CABLE, BATTERY TO MAGNET SWITCH
W/ELECTRICAL WINCH
82002ACABLE, MAGNET SWITCH TO WINCH
W/ELECTRICAL WINCH
82002BCABLE, WINCH TO GROUND
W/ELECTRICAL WINCH
82024WIRE SUB-ASSY, FOG LAMP FEED
82051HARNESS ASSY, FUEL CONTROL
W/EDIC
82210CFUSIBLE LINK
82211AWIRE, REAR HEATER
82215WIRE, PARKING BRAKE LAMP SWITCH
W/RR HEATER
W/RR HEATER
82220HARNESS ASSY, WIRING COWL
82291WIRING, TO SOLENOID
82310WIRING ASSY, TO BACK UP LAMP SWITCH
82345DIODE
sub82345-12020
82351AWIRE, COURTESY LAMP SWITCH (FOR FRONT OR REAR DOOR)
82370WIRE ASSY, WIPER SWITCH TO WIPER
82374WIRE, WASHER
82412WIRE, FUEL GAGE
82470WIRE ASSY, LICENSE LAMP FEED
82510WIRING ASSY, ROOF
NO.1
NO.2
82670BLOCK ASSY, JUNCTION, NO.1
82672COVER, JUNKTION BLOCK
82823CAP, TERMINAL, NO.1
8401
9411540500
main94115-40500
9412040600
main94120-40600
27 parts on this diagram · 4 diagrams in section