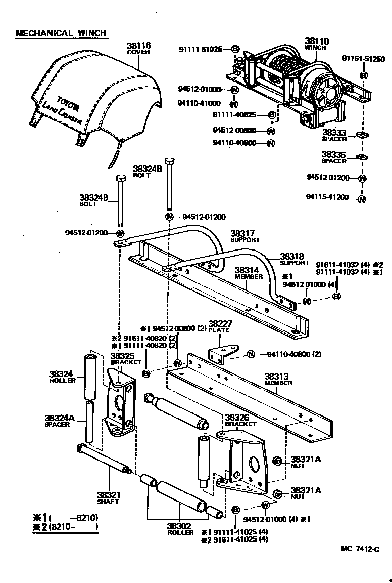
WINCH

38110WINCH ASSY
MECHANICAL
MECHANICAL
ELECTRIC
38116COVER, WINCH
ELECTRIC
MECHANICAL
38227PLATE, WINCH CLUTCH LEVER SHIFT LOCK
38302ROLLER SUB-ASSY, WINCH WIRE GUIDE
MECHANICAL
ELECTRIC
38313MEMBER, FRONT BASE
38314MEMBER, REAR BASE
38317SUPPORT, ROLLER BRACKET, NO.1
38318SUPPORT, ROLLER BRACKET, NO.2
38321SHAFT, WINCH ROLLER
38321ANUT, HEXAGON (FOR WINCH ROLLER SHAFT)
38324ROLLER, WINCH WIRE GUIDE, NO.2
MECHANICAL
ELECTRIC
38324ASPACER, WINCH WIRE GUIDE ROLLER
38324BBOLT, HEXAGON (FOR WINCH WIRE GUIDE ROLLER)
38325BRACKET, WINCH ROLLER, NO.1
MECHANICAL
ELECTRIC
38326BRACKET, WINCH ROLLER, NO.2
38333SPACER, MEMBER, NO.1
38335SPACER, MEMBER, NO.2
9111140820
main91111-40820
9111140825
main91111-40825
9111141025
main91111-41025
9111141032
main91111-41032
9111151025
main91111-51025
9116151250
main91161-51250
9161140820
main91611-40820
9161141025
main91611-41025
9161141032
main91611-41032
9411040800
main94110-40800
9411041000
main94110-41000
9411541200
main94115-41200
9451200800
main94512-00800
9451201000
main94512-01000
9451201200
main94512-01200
32 parts on this diagram · 7 diagrams in section