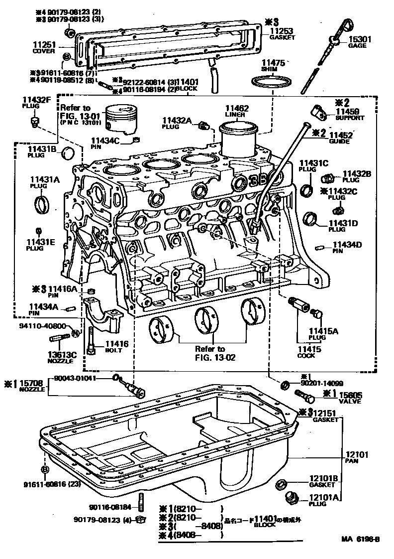
CYLINDER BLOCK

11251COVER, VALVE PUSH ROD
sub11203-56041
11253GASKET, VALVE PUSH ROD COVER
11401BLOCK SUB-ASSY, CYLINDER
sub11401-59215
sub11401-59226
11416BOLT(FOR CRANKSHAFT BEARING CAP SET)
*13-1.5PX78.5-20
*16-2PX88.5-32
11416APIN, RING(FOR CRANKSHAFT BEARING CAP SET)
11431APLUG, TIGHT, NO.1(FOR CYLINDER BLOCK)
OD=51
11431BPLUG, TIGHT, NO.2(FOR CYLINDER BLOCK)
11431CPLUG, TIGHT, NO.3(FOR CYLINDER BLOCK)
11431DPLUG, TIGHT, NO.4(FOR CYLINDER BLOCK)
11431EPLUG, TIGHT, NO.5(FOR CYLINDER BLOCK)
11432APLUG, W/HEAD TAPER SCREW, NO.1
sub90345-51007
11432BPLUG, W/HEAD TAPER SCREW, NO.2
11432CPLUG, W/HEAD TAPER SCREW, NO.3
11432FPLUG, W/HEAD TAPER SCREW, NO.4
11434APIN, STRAIGHT(FOR TIMING GEAR COVER SET)
11434CPIN, STRAIGHT (FOR CYLINDER HEAD SET)
11434DPIN, STRAIGHT(FOR ENGINE REAR OIL SEAL)
11452GUIDE, OIL LEVEL GAGE
11459SUPPORT, OIL LEVEL GAGE GUIDE
11475SHIM, CYLINDER LINER
T=0.05
T=0.05
T=0.10
T=0.10
12101APLUG(FOR OIL PAN DRAIN)
sub90033-41020
12101BGASKET(FOR OIL PAN DRAIN PLUG)
sub90430-18023
12151GASKET, OIL PAN
1301
1302
13613CNOZZLE, OIL
15605VALVE SUB-ASSY, OIL CHECK
9004301041
main90043-01041
9011608184
main90116-08184
9011608194
main90116-08194
9011908512
main90119-08512
9017908123
main90179-08123
9020114099
main90201-14099
9161160816
main91611-60816
9212260814
main92122-60814
9411040800
main94110-40800
42 parts on this diagram · 1 diagram in section