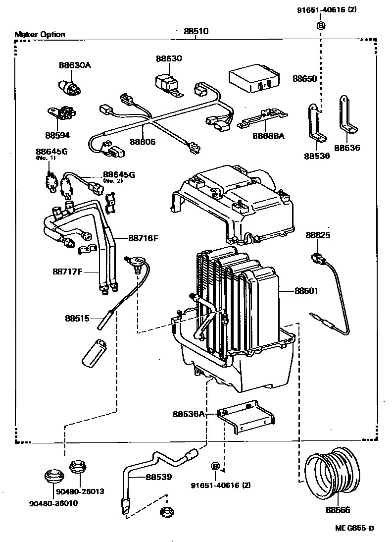
HEATING & AIR CONDITIONING - COOLER UNIT

88501EVAPORATOR SUB-ASSY, COOLER, NO.1
88510UNIT ASSY, COOLER
MAKER OPTION
DEALER OPTION
DEALER OPTION
88536BRACKET, COOLING UNIT, NO.1
88536ABRACKET, COOLING UNIT, NO.2
DEALER OPTION
88539HOSE, COOLER UNIT DRAIN, NO.1
88566DUCT, COOLER AIR, NO.1
88594BRACKET, COOLER RELAY
88605HARNESS SUB-ASSY, COOLER WIRING, NO.1
88625THERMISTOR, COOLER, NO.1
88630RELAY ASSY, COOLER
88630ARELAY ASSY, COOLER
DEALER OPTION
88645GSWITCH, PRESSURE
NO.1,MAKER OPTION
NO.2
88650AMPLIFIER ASSY, COOLER STABILIZER
88688ABRACKET, COOLER STABILIZER AMPLIFIER
88716FPIPE, COOLER REFRIGERANT LIQUID, F
88717FPIPE, COOLER REFRIGERANT SUCTION, F
9048026013
main90480-26013
9048036010
main90480-36010
9165140616
main91651-40616
20 parts on this diagram · 3 diagrams in section