E
EPC Data

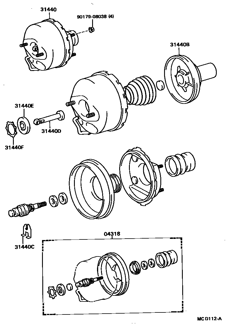
CLUTCH BOOSTER

Parts diagram
04318BOOSTER KIT, CLUTCH
main04318-36010i198601-199505
31440BOOSTER ASSY, CLUTCH W/AIR CLEANER
main31440-36030i198601-199505
31440BPISTON, BOOSTER(FOR CLUTCH BOOSTER)
main44642-87502i198601-199505
31440CKEY, VALVE STOPPER(FOR CLUTCH BOOSTER)
main44635-12480i198601-198708
main44635-36010i198708-199505
31440DROD SUB-ASSY, BOOSTER PISTON(FOR CLUTCH BOOSTER)
main44606-12520i198601-199505
31440ESEAL, BOOSTER BODY NO.1(FOR CLUTCH BOOSTER)
main44621-28120i198601-199505
31440FRING, CIRCULAR INTERNAL(FOR CLUTCH BOOSTER)
main44628-28120i198601-199505
9017908038

8 parts on this diagram · 2 diagrams in section

CLUTCH BOOSTER — Toyota Parts Diagram with OEM Numbers & Prices | EPC Data