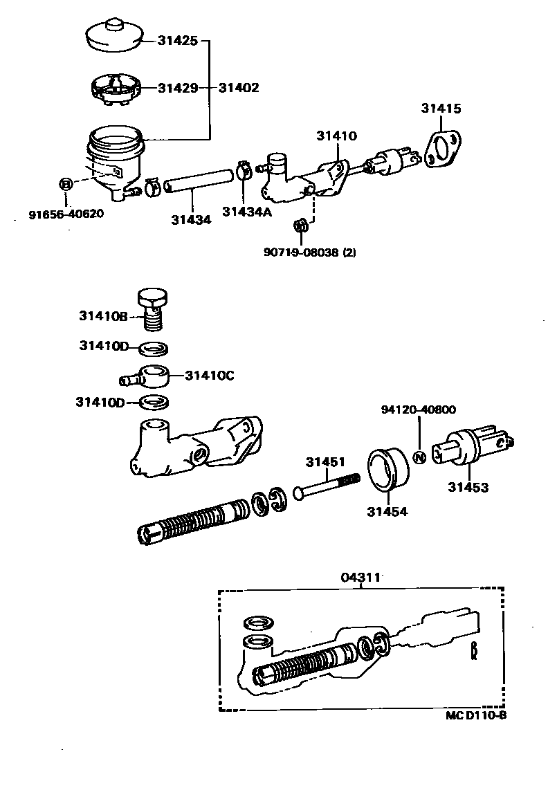
CLUTCH MASTER CYLINDER

31402RESERVOIR SUB-ASSY, CLUTCH MASTER CYLINDER
W/CLUTCH BOOSTER
31410CYLINDER ASSY, CLUTCH MASTER
sub31401-36033
sub31401-36080
sub31401-36080
sub31420-36111
sub31420-36112
31410BBOLT, UNION(FOR CLUTCH MAS CYLINDER TO FLEXIBLE HOSE TUBE)
31410CUNION(FOR CLUTCH MASTER CYLINDER TO FLEXIBLE HOSE TUBE)
31410DGASKET(FOR CLUTCH MASTER CYLINDER TO FLEXIBLE HOSE TUBE)
31425CAP, CLUTCH MASTER CYLINDER RESERVOIR FILLER
W/CLUTCH BOOSTER
31429STRAINER, MASTER CYLINDER RESERVOIR
31434TUBE, CLUTCH RESERVOIR
31434ACLIP(FOR CLUTCH RESERVOIR TUBE)
sub96132-51300
31451ROD, CLUTCH MASTER CYLINDER PUSH
31454BOOT, CLUTCH MASTER CYLINDER
9071908038
main90719-08038
9165640620
main91656-40620
9412040800
main94120-40800
17 parts on this diagram · 2 diagrams in section