WIRING & CLAMP

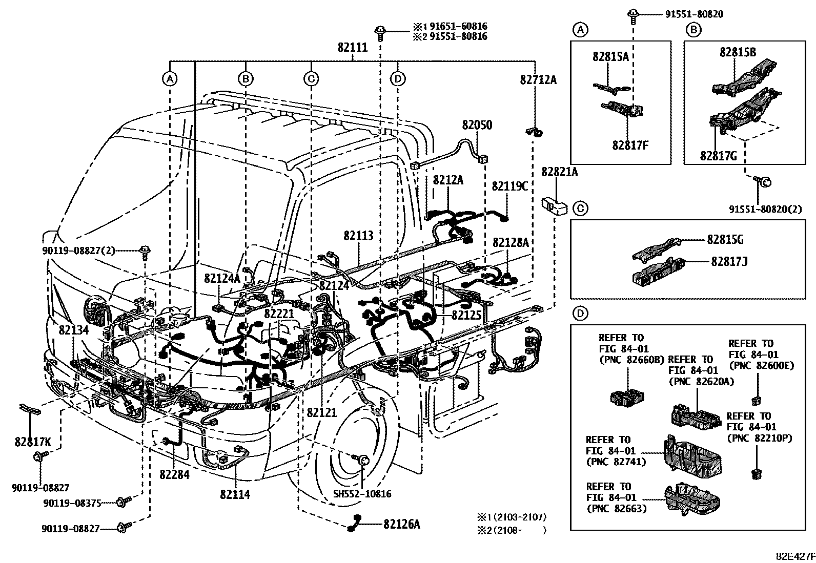
82050WIRE ASSY, ENGINE
82114WIRE, ENGINE ROOM, NO.4
82119CWIRE, ENGINE ROOM, NO.5
82121WIRE, ENGINE
82124WIRE, ENGINE, NO.4
82124AWIRE, ENGINE, NO.5
82125WIRE, TRANSMISSION
82126AWIRE, ENGINE, NO.6
82128AWIRE, ENGINE, NO.8
8212AWIRE, ENGINE, NO.9
82134WIRE, COWL, NO.4
82221WIRE, OIL PRESSURE SWITCH
82284WIRE, EARTH
82712ASUPPORT, WIRING HARNESS
82815ACOVER, WIRING HARNESS PROTECTOR
82815BCOVER, WIRING HARNESS PROTECTOR
82815GCOVER, WIRING HARNESS PROTECTOR NO.5
82817FPROTECTOR, WIRING HARNESS, NO.7
82817GPROTECTOR, WIRING HARNESS, NO.8
82817JPROTECTOR, WIRING HARNESS, NO.9
82817KPROTECTOR, WIRING HARNESS, NO.10
82821ACOVER, CONNECTOR
8401
9011908375
main90119-08375
9011908827
main90119-08827
9155180816
main91551-80816
9155180820
main91551-80820
9165160816
main91651-60816
SH55210816
mainSH552-10816
31 parts on this diagram · 8 diagrams in section