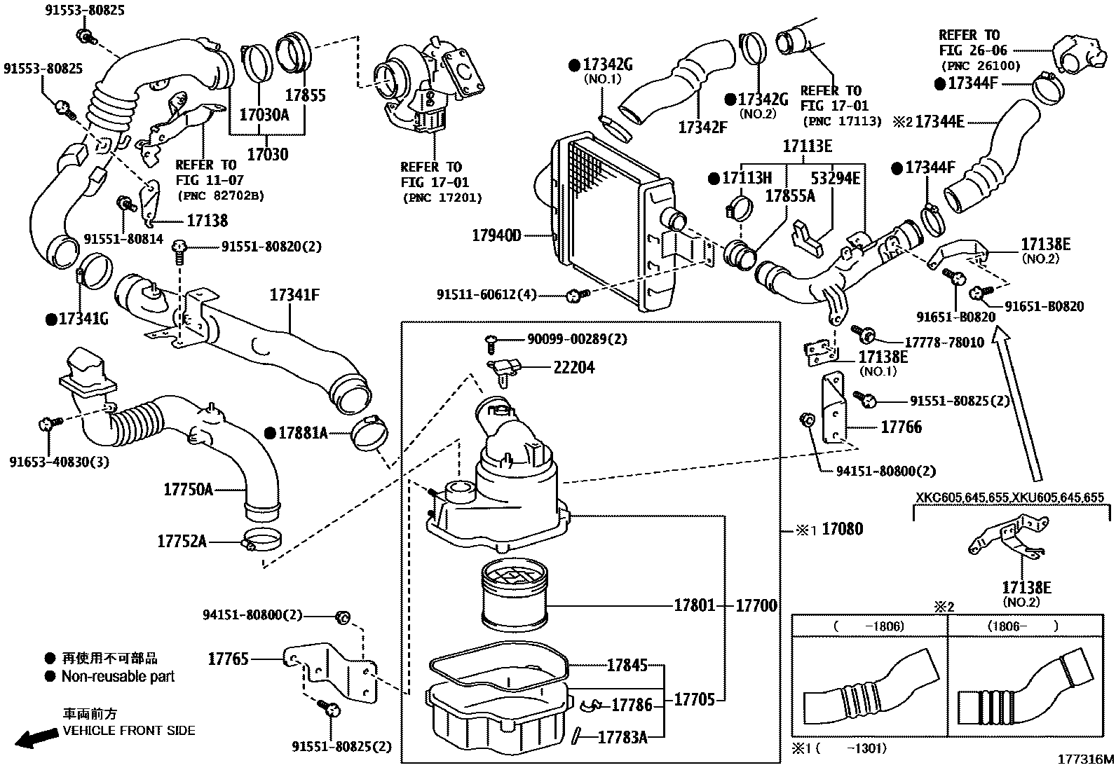
AIR CLEANER

1107
1701
17030HOSE ASSY, AIR
main17030-78510iN04C..XKU640,655;N04C..XKU605..IV3;N04C..XKU605..T4..CBU;N04C..XKU600..T5..30T..CBU;N04C..XKU600,650..(T3,T5)..IV3;N04C..XKC605,645,655,XKU600,645,650..DM6,T4201107-201705
sub17030-78A62
17030ACLAMP, HOSE
17080CLEANER ASSY, AIR W/AIR FLOW METER
17113EPIPE, INTAKE, NO.1
17113HCLAMP, INTAKE PIPE
main17781-78100iN04C..XKU640,655;N04C..XKU605..IV3;N04C..XKU605..T4..CBU;N04C..XKU600..T5..30T..CBU;N04C..XKU600,650..(T3,T5)..IV3;N04C..XKC605,645,655,XKU600,645,650..DM6,T4201107-201705
17138STAY, INTAKE PIPE OR HOSE
main17138-78170iN04C..XKU640,655;N04C..XKU605..IV3;N04C..XKU605..T4..CBU;N04C..XKU600..T5..30T..CBU;N04C..XKU600,650..(T3,T5)..IV3;N04C..XKC605,645,655,XKU600,645,650..DM6,T4201107-201705
17138ESTAY, INTAKE PIPE
main17138-78360iN04C..XKU655;N04C..XKU605..IV3;N04C..XKU605..T4..CBU;N04C..XKC605,645,655,XKU645..T4201107-201705
17341FHOSE, AIR, NO.1
main17341-78160iN04C..XKU640,655;N04C..XKU605..IV3;N04C..XKU605..T4..CBU;N04C..XKU600..T5..30T..CBU;N04C..XKU600,650..(T3,T5)..IV3;N04C..XKC605,645,655,XKU600,645,650..DM6,T4201107-201705
17341GCLAMP OR CLIP(FOR AIR HOSE, NO.1)
17342GCLAMP, HOSE, NO.2(FOR INTERCOOLER)
main90034-60047iN04C..XKU640,655;N04C..XKU605..IV3;N04C..XKU605..T4..CBU;N04C..XKU600..T5..30T..CBU;N04C..XKU600,650..(T3,T5)..IV3;N04C..XKC605,645,655,XKU600,645,650..DM6,T4201107-201705
17344EHOSE, AIR, NO.4
17344FCLAMP, HOSE(FOR AIR HOSE, NO.4)
17700CLEANER ASSY, AIR
sub17700-78541
main17700-78541iN04C..XKU640,655;N04C..XKU605..IV3;N04C..XKU605..T4..CBU;N04C..XKU600..T5..30T..CBU;N04C..XKU600,650..(T3,T5)..IV3;N04C..XKC605,645,655,XKU600,645,650..DM6,T4201301-201705
17705CAP SUB-ASSY, AIR CLEANER
sub17705-78061
main17705-78061iN04C..XKU640,655;N04C..XKU605..IV3;N04C..XKU605..T4..CBU;N04C..XKU600..T5..30T..CBU;N04C..XKU600,650..(T3,T5)..IV3;N04C..XKC605,645,655,XKU600,645,650..DM6,T4201301-201705
17750AINLET ASSY, AIR CLEANER
17752ACLAMP, HOSE(FOR AIR CLEANER)
main96111-10900iN04C..XKU640,655;N04C..XKU605..IV3;N04C..XKU605..T4..CBU;N04C..XKU600..T5..30T..CBU;N04C..XKU600,650..(T3,T5)..IV3;N04C..XKC605,645,655,XKU600,645,650..DM6,T4201107-201705
17765STAY, AIR CLEANER, NO.1
17766STAY, AIR CLEANER, NO.2
17783ARETAINER, AIR CLEANER INLET
17786CLAMP, AIR CLEANER
17801ELEMENT SUB-ASSY, AIR CLEANER FILTER
main17801-78080iN04C..XKU640,655;N04C..XKU605..IV3;N04C..XKU605..T4..CBU;N04C..XKU600..T5..30T..CBU;N04C..XKU600,650..(T3,T5)..IV3;N04C..XKC605,645,655,XKU600,645,650..DM6,T4201107-201705
17855GASKET, AIR INLET DUCT, NO.1
17855AGASKET, AIR INLET DUCT, NO.2
17881ACLAMP(FOR AIR CLEANER HOSE, NO.1)
22204METER SUB-ASSY, INTAKE AIR FLOW
2606
53294ESEAL, COOL AIR INTAKE PIPE
1777878010BOLT, AIR CLEANER SET
main17778-78010
9009900289
main90099-00289
9151160612
main91511-60612
9155180814
main91551-80814
9155180820
main91551-80820
9155180825
main91551-80825
9155380825
main91553-80825
91651B0820
main91651-B0820
9165340830
main91653-40830
9415180800
main94151-80800
42 parts on this diagram · 2 diagrams in section