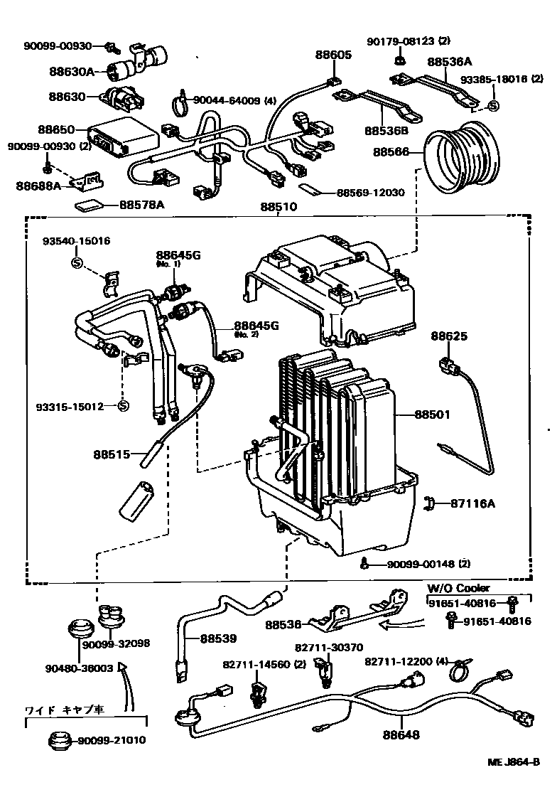
HEATING & AIR CONDITIONING - COOLER UNIT

87116ASPRING, HOLDING (FOR COOLER UNIT CASE)
88501EVAPORATOR SUB-ASSY, COOLER, NO.1
88515VALVE, COOLER EXPANSION
88536BRACKET, COOLING UNIT, NO.1
88536ABRACKET, COOLING UNIT, NO.2
88536BBRACKET, COOLING UNIT, NO.3
88539HOSE, COOLER UNIT DRAIN, NO.1
88578APACKING, COOLER STABILIZER AMPLIFIER
88605HARNESS SUB-ASSY, COOLER WIRING, NO.1
88625THERMISTOR, COOLER, NO.1
sub88625-28150
88645GSWITCH, PRESSURE
NO.2
88650AMPLIFIER ASSY, COOLER STABILIZER
88688ABRACKET, COOLER STABILIZER AMPLIFIER
8271112200WIRE, FUSE TO FUSE(FOR COMBUSTION HEATER)
main82711-12200
8271114560WIRE, FUSE TO FUSE(FOR COMBUSTION HEATER)
main82711-14560
8271130370WIRE, FUSE TO FUSE(FOR COMBUSTION HEATER)
main82711-30370
8856912030CLAMP (FOR COOLER RELAY)
main88569-12030
9004464009
main90044-64009
9009900148
main90099-00148
9009900930
main90099-00930
9009921010
main90099-21010
9009932098
main90099-32098
9017908123
main90179-08123
9048036003
main90480-36003
9165140816
main91651-40816
9331515012
main93315-15012
9338518016
main93385-18016
9354015016
main93540-15016
33 parts on this diagram · 2 diagrams in section