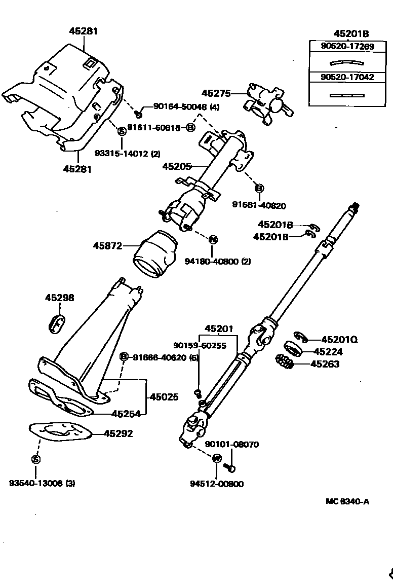
STEERING COLUMN & SHAFT

45025COVER, STEERING INTERMEDIATE SHAFT
W/POWER TAKE-OFF
W/POWER TAKE-OFF
45201SHAFT SUB-ASSY, STEERING MAIN
45201BRING, SHAFT SNAP(FOR STEERING MAIN SHAFT)
LWR BERING
45201QRING(FOR STEERING COLUMN RING)
45205TUBE SUB-ASSY, STEERING COLUMN
45224BLOCK, BEARING(FOR STEERING FLEXIBLE COUPLING)
45254SHIELD, STEERING COLUMN HOLE
45263RING, STEERING COLUMN, NO.1
sub45263-32010
45275BRACKET, STEERING COLUMN, UPPER
45281HOUSING, STEERING COLUMN
UPR,SHADOW GRAY
LWR,SHADOW GRAY
45292SEAL, MAIN SHAFT LOWER DUST
45298PLUG, STEERING COLUMN COVER
45872COVER, STEERING COLUMN TUBE
9010108070
main90101-08070
9015960255
main90159-60255
9016450048
main90164-50048
9052017042
main90520-17042
9052017269
main90520-17269
9161160616
main91611-60616
9166140820
main91661-40820
9166640620
main91666-40620
9331514012
main93315-14012
9354013008
main93540-13008
9418040800
main94180-40800
9451200800
main94512-00800
25 parts on this diagram · 2 diagrams in section