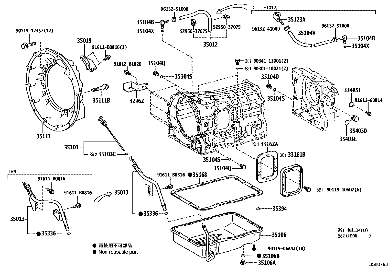
TRANSMISSION CASE & OIL PAN (ATM)

32962INSULATOR, OIL TEMPERATURE SWITCH HEAT
main32962-37030iXZU640,650..T4..6FC;XZU640..T3..6FC..CBU;XZU650..6FC..DCRTK..CBU;XZU650..T3..6FC..30T..IV3;XZC600,XZU600..(T3,T5)..6FC..(20T,40T)201107-201505
33161BCOVER, TRANSMISSION POWER TAKE-OFF
main33161-37020iXZC600..6FC..ST;XZU640,650..T4..6FC;XZU640..T3..6FC..CBU;XZU650..6FC..DCRTK..CBU;XZU650..T3..6FC..30T..IV3201107-201505
33162AGASKET, TRANSMISSION POWER TAKE-OFF
main33162-37020iXZC600..6FC..ST;XZU640,650..T4..6FC;XZU640..T3..6FC..CBU;XZU650..6FC..DCRTK..CBU;XZU650..T3..6FC..30T..IV3201107-201505
33485FPLATE, SPEEDMETER LOCK
35012HOSE SUB-ASSY, TRANSMISSION BREATHER
main35012-37010iXZU640,650..T4..6FC;XZU640..T3..6FC..CBU;XZU650..6FC..DCRTK..CBU;XZU650..T3..6FC..30T..IV3;XZC600,XZU600..(T3,T5)..6FC..(20T,40T)201312-201505
35013TUBE SUB-ASSY, TRANSMISSION OIL FILLER
35019COVER SUB-ASSY, TRANSMISSION CASE DUST
main35019-37040iXZC60#,610,630,645,655,XZU600,605,610,620,64#,650,655..6FC..(DCRTH,DCRTJ,DCRTK,DCRVT)201705
35103GAGE SUB-ASSY, TRANSMISSION OIL LEVEL
35103CRING, O
35104BPLUG, BREATHER, NO.1 (ATM)
main90930-03094iXZU640,650..T4..6FC;XZU640..T3..6FC..CBU;XZU650..6FC..DCRTK..CBU;XZU650..T3..6FC..30T..IV3;XZC600,XZU600..(T3,T5)..6FC..(20T,40T)201107-201505
35104QPLUG, NO.1 (FOR TRANSAXLE CASE)
35104SRING, O (FOR TRANSAXLE CASE PLUG NO.1)
main90301-10021×9iXZU650..6FC..20T;XZU640..T3..6FC..(IV3,IV4);XZU650..T3..6FC..DCRTJ..CBU;XZC60#,610,630,645,655,XZU60#,610,620,645,655..(03S,DM5,DM6,DM7,T2,T3,T4,T5)..6FC..(20T,30T)201302-201705
35104VHOSE (FOR BREATHER PLUG)
sub31484-37450
35104XRING, O (FOR BREATHER PLUG)
main90301-06005iXZC60#,610,630,645,655,XZU600,605,610,620,64#,650,655..6FC..(DCRTH,DCRTJ,DCRTK,DCRVT)201705
35106PAN SUB-ASSY, AUTOMATIC TRANSMISSION OIL
main35106-37060iXZU640,650..T4..6FC;XZU640..T3..6FC..CBU;XZU650..6FC..DCRTK..CBU;XZU650..T3..6FC..30T..IV3;XZC600,XZU600..(T3,T5)..6FC..(20T,40T)201107-201505
35106APLUG SUB-ASSY, DRAIN (ATM)
main90341-18057iXZU640,650..T4..6FC;XZU640..T3..6FC..CBU;XZU650..6FC..DCRTK..CBU;XZU650..T3..6FC..30T..IV3;XZC600,XZU600..(T3,T5)..6FC..(20T,40T)201107-201505
35106BGASKET, DRAIN PLUG (ATM)
main12157-10010iXZU640,650..T4..6FC;XZU640..T3..6FC..CBU;XZU650..6FC..DCRTK..CBU;XZU650..T3..6FC..30T..IV3;XZC600,XZU600..(T3,T5)..6FC..(20T,40T)201107-201505
35111HOUSING, AUTOMATIC TRANSMISSION
main35111-37020iXZU640,650..T4..6FC;XZU640..T3..6FC..CBU;XZU650..6FC..DCRTK..CBU;XZU650..T3..6FC..30T..IV3;XZC600,XZU600..(T3,T5)..6FC..(20T,40T)201107-201505
35111BBOLT (FOR TRANSMISSION HOUSING & ENGINE SETTING)
main90119-10898×12iXZU640,650..T4..6FC;XZU640..T3..6FC..CBU;XZU650..6FC..DCRTK..CBU;XZU650..T3..6FC..30T..IV3;XZC600,XZU600..(T3,T5)..6FC..(20T,40T)201107-201505
35123ASKIRT, TRANSMISSION BREATHER
35168GASKET, AUTOMATIC TRANSMISSION OIL PAN
main35168-37010iXZU640,650..T4..6FC;XZU640..T3..6FC..CBU;XZU650..6FC..DCRTK..CBU;XZU650..T3..6FC..30T..IV3;XZC600,XZU600..(T3,T5)..6FC..(20T,40T)201107-201505
35336RING, O (FOR TRANSMISSION OIL FILLER TUBE)
main90301-09011iXZU640,650..T4..6FC;XZU640..T3..6FC..CBU;XZU650..6FC..DCRTK..CBU;XZU650..T3..6FC..30T..IV3;XZC600,XZU600..(T3,T5)..6FC..(20T,40T)201107-201505
35394MAGNET, OIL CLEANER (FOR TRANSMISSION)
main35394-30011×4iXZU640,650..T4..6FC;XZU640..T3..6FC..CBU;XZU650..6FC..DCRTK..CBU;XZU650..T3..6FC..30T..IV3;XZC600,XZU600..(T3,T5)..6FC..(20T,40T)201107-201505
35403DCAP, SPEED SENSOR DUST
mainG347337010iXZU640,650..T4..6FC;XZU640..T3..6FC..CBU;XZU650..6FC..DCRTK..CBU;XZU650..T3..6FC..30T..IV3;XZC600,XZU600..(T3,T5)..6FC..(20T,40T)201107-201505
35403ERING, O(FOR SPEED SENSOR DUST CAP)
main90301-21014iXZU640,650..T4..6FC;XZU640..T3..6FC..CBU;XZU650..6FC..DCRTK..CBU;XZU650..T3..6FC..30T..IV3;XZC600,XZU600..(T3,T5)..6FC..(20T,40T)201107-201505
9011906A42
main90119-06A42
9011910A07
main90119-10A07
9011912457
main90119-12457
9030110021
main90301-10021
9034113001
main90341-13001
9161160814
main91611-60814
91611B0816
main91611-B0816
91612B1020
main91612-B1020
9613241000
main96132-41000
9613251000
main96132-51000
SZ95037075
mainSZ950-37075
36 parts on this diagram · 1 diagram in section