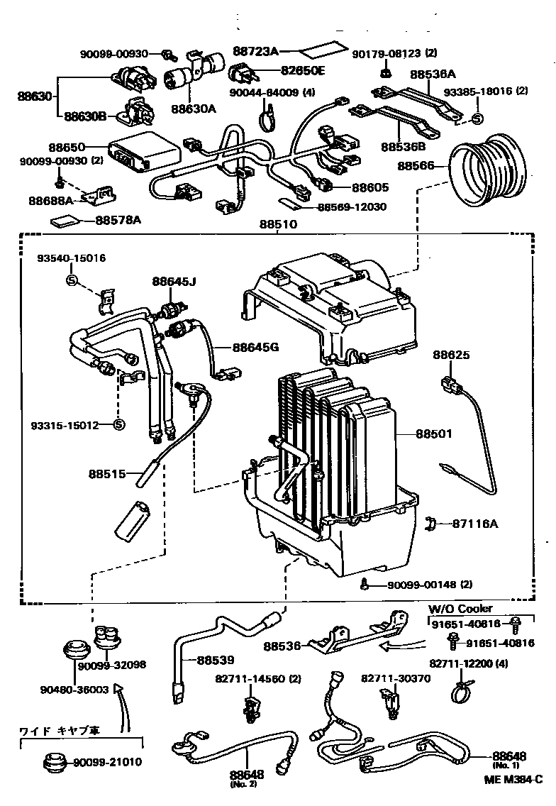
HEATING & AIR CONDITIONING - COOLER UNIT

82650EBREAKER ASSY, WIRING CIRCUIT
87116ASPRING, HOLDING (FOR COOLER UNIT CASE)
main87116-14010×6iBU87..(T3,T4)..5F..20T..IV3;BU60,61,66..TR..5F..WT..20T..IV3;BU88..(T2,T3)..5F..(20T,30T)..IV3198808-198910
88501EVAPORATOR SUB-ASSY, COOLER, NO.1
main88501-37020iBU66..T4..IV3;BU88..4FC..30T..IV3;BU87..(T3,T4)..5F..20T..IV3;BU66..(T2,T3)..5F..WT..20T..IV3;BU61,88..5F..03S..WT..(20T,30T)..DSL..IV3199309-199505
main88501-95403iBU87..(T3,T4)..5F..20T..IV3;BU60,61,66..TR..5F..WT..20T..IV3;BU88..(T2,T3)..5F..(20T,30T)..IV3198808-198910
88510UNIT ASSY, COOLER
main88510-25020iBU61..WT..IV3;BU66..T4..IV3;BU87..(T3,T4)..5F..20T..IV3;BU66..(T2,T3)..5F..WT..20T..IV3199309-199505
main88510-36100iBU61..WT..IV3;BU66..T4..IV3;BU87..(T3,T4)..5F..20T..IV3;BU66..(T2,T3)..5F..WT..20T..IV3199109-199210
main88510-37010iBU78,9#;BU88..06S;BU88..TD..IV3;BU88..275..IV3;BU88..4FC..20T;BU88..5F..03S..CBU;BU88..4FC..30T..CBU199309-199505
88515VALVE, COOLER EXPANSION
main88515-28090iBU66..T4..IV3;BU88..4FC..30T..IV3;BU87..(T3,T4)..5F..20T..IV3;BU66..(T2,T3)..5F..WT..20T..IV3;BU61,88..5F..03S..WT..(20T,30T)..DSL..IV3199309-199505
88536BRACKET, COOLING UNIT, NO.1
main88536-95403iBU66..IV4;BU67,87..4FC;BU68,70,73,83;BU60..T3..ST..IV3;BU66..(T2,T3)..4FC;BU66..T4..4FC..CBU;BU60..T1,TW1,TW2,TW4;BU60..(T2,T3,T4)..CBU199106-199109
88536ABRACKET, COOLING UNIT, NO.2
main88536-95404iBU87..V;BU87..4FC;BU61..CBU;BU87..T2,TW1;BU66..(T2,T3)..4FC;BU61,66..5F..ST..IV3;BU66,87..5F..(275,30T);BU66..(T2,T3)..5F..20T..CBU;BU66..DM1,DM2,DM3,DM5,TW1,TW4;BU199110-199309
88536BBRACKET, COOLING UNIT, NO.3
main88536-95405iBU87..V;BU87..4FC;BU61..CBU;BU87..T2,TW1;BU66..(T2,T3)..4FC;BU61,66..5F..ST..IV3;BU66,87..5F..(275,30T);BU66..(T2,T3)..5F..20T..CBU;BU60,67,68,70,72,73,74,83,84;BU6199109-199110
88539HOSE, COOLER UNIT DRAIN, NO.1
main88539-95409iBU66..IV4;BU67,87..4FC;BU68,70,73,83;BU60..T3..ST..IV3;BU66..(T2,T3)..4FC;BU66..T4..4FC..CBU;BU60..T1,TW1,TW2,TW4;BU60..(T2,T3,T4)..CBU199106-199109
main88539-95411iBU78,9#;BU88..06S;BU88..TD..IV3;BU88..275..IV3;BU88..4FC..20T;BU88..5F..03S..CBU;BU88..4FC..30T..CBU199210-199505
88566DUCT, COOLER AIR, NO.1
main88566-95407iBU70,83;BU66,67,87..4FC;BU60..T3..ST..IV3;BU60..T1,TW1,TW2,TW4;BU60..(T2,T3,T4)..CBU198808-198910
88578APACKING, COOLER STABILIZER AMPLIFIER
main88578-95400iBU68,70,73,83;BU96..4FC..TD;BU60..T3..ST..IV3;BU66..T4..4FC..CBU;BU66..(T2,T3)..4FC;BU88..4FC..30T..CBU;BU60..T1,TW1,TW2,TW4;BU60..(T2,T3,T4)..CBU;BU67,87,88..4FC..198910-199106
88605HARNESS SUB-ASSY, COOLER WIRING, NO.1
main88605-26590iBU87..V;BU87..4FC;BU61..CBU;BU87..T2,TW1;BU66..T4..CBU;BU66..(T2,T3)..4FC;BU61,66..5F..ST..IV3;BU66,87..5F..(275,30T);BU66..(T2,T3)..5F..20T..CBU;BU87..(T3,T4)..5F.199309-199505
main88605-37040iBU78,9#;BU88..06S;BU88..TD..IV3;BU88..275..IV3;BU88..4FC..20T;BU88..5F..03S..CBU;BU88..4FC..30T..CBU199309-199505
main88605-95405iBU61..WT..IV3;BU66..T4..IV3;BU87..(T3,T4)..5F..20T..IV3;BU66..(T2,T3)..5F..WT..20T..IV3199210-199309
main88605-95408iBU61..WT..IV3;BU66..T4..IV3;BU87..(T3,T4)..5F..20T..IV3;BU66..(T2,T3)..5F..WT..20T..IV3199109-199309
88625THERMISTOR, COOLER, NO.1
main88625-95A00iBU96..DSL;BU96..5F..TD;BU61,66,67,72,74,78,84,87,88,91,94..5F..(CBU,IV3)199106-199109
sub88625-28150
88630RELAY ASSY, COOLER
main88630-95400iBU87..(T3,T4)..5F..20T..IV3;BU60,61,66..TR..5F..WT..20T..IV3;BU88..(T2,T3)..5F..(20T,30T)..IV3198808-198910
88630ARELAY ASSY, COOLER
main88630-95402iBU87..V;BU87..T2,TW1;BU96..5F..TD;BU88..TD..IV3;BU61,66..5F..ST..IV3;BU88..T4..5F..30T..CBU;BU66,87..5F..(275,30T);BU88..(T2,T3)..5F..CBU;BU87..(T3,T4)..20T..CBU;BU199106-199109
88630BRELAY ASSY, COOLER
88645GSWITCH, PRESSURE
main88645-17010iBU87..(T3,T4)..5F..20T..IV3;BU60,61,66..TR..5F..WT..20T..IV3;BU88..(T2,T3)..5F..(20T,30T)..IV3198808-198910
main88645-20050iBU66..T4..IV3;BU88..4FC..30T..IV3;BU87..(T3,T4)..5F..20T..IV3;BU66..(T2,T3)..5F..WT..20T..IV3;BU61,88..5F..03S..WT..(20T,30T)..DSL..IV3199309-199505
88645JSWITCH, PRESSURE, NO.2
sub88645-12020
88648WIRING, COOLER, NO.1
NO.2
NO.1
main88648-95410iBU61..WT..IV3;BU66..T4..IV3;BU87..(T3,T4)..5F..20T..IV3;BU66..(T2,T3)..5F..WT..20T..IV3199210-199505
main88648-95411iBU78,9#;BU88..06S;BU88..TD..IV3;BU88..275..IV3;BU88..4FC..20T;BU88..5F..03S..CBU;BU88..4FC..30T..CBU199210-199505
main88648-95420iBU87..V;BU87..T2,TW1;BU66,87..4FC;BU67,70,83,84;BU66,87..5F..(275,30T);BU87..(T3,T4)..20T..CBU;BU60,61,66..T3..5F..ST..IV3;BU60,66..DM2,DM3,T1,TW1,TW2,TW4;BU60,61,6198808-198910
88650AMPLIFIER ASSY, COOLER STABILIZER
main88650-95A00iBU87..(T3,T4)..5F..20T..IV3;BU60,61,66..TR..5F..WT..20T..IV3;BU88..(T2,T3)..5F..(20T,30T)..IV3198808-198910
88688ABRACKET, COOLER STABILIZER AMPLIFIER
88723ALABEL, COOLER SERVICE CAUTION
8271112200WIRE, FUSE TO FUSE(FOR COMBUSTION HEATER)
main82711-12200
8271114560WIRE, FUSE TO FUSE(FOR COMBUSTION HEATER)
main82711-14560
8271130370WIRE, FUSE TO FUSE(FOR COMBUSTION HEATER)
main82711-30370
8856912030CLAMP (FOR COOLER RELAY)
main88569-12030
9004464009
main90044-64009
9009900148
main90099-00148
9009900930
main90099-00930
9009921010
main90099-21010
9009932098
main90099-32098
9017908123
main90179-08123
9048036003
main90480-36003
9165140816
main91651-40816
9331515012
main93315-15012
9338518016
main93385-18016
9354015016
main93540-15016
37 parts on this diagram · 2 diagrams in section