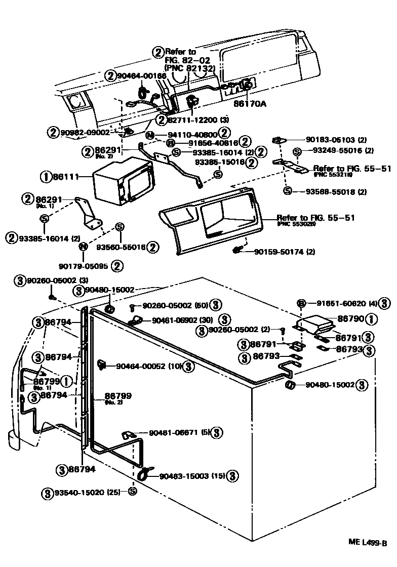
CAMERA & REAR MONITOR DISPLAY

5551
8202
86111MULTI-DISPLAY
main86111-36010iBU73,87..03S..IV3;BU60,61,66,67,72,74,78,83,84,85,88,9#..(DM1,T1,T2,T3,T4,TW1)..(20T,275,30T,35T)..IV3198808-199505
86170ASWITCH & VOLUME ASSY
main86170-36010-04iBU88..TOY..IV3;BU60,61,66,67,72,74,78,83,84,85,87,9#..TOY..(DM1,T1,T2,T3,T4)..IV3198808-199109
BLUE,TRIM8#
main86170-36010-06iBU87..DYN..03S..IV3;BU60,61,66,67,72,74,78,83,84,85,88,9#..DYN..(DM1,T1,T2,T3,T4,TW1)..(20T,275,30T,35T)..IV3198808-199109
BROWN,TRIM4#
main86170-36010-B0iBU73,87..03S..IV3;BU60,61,66,67,72,74,78,83,84,88,9#..(DM1,T1,T2,T3,T4,TW1)..(20T,275,30T,35T)..IV3199109-199505
GRAY,TRIM1#
86291BRACKET, TELEVISION
main86291-95402iBU87..03S..IV3;BU60,61,66,67,72,73,74,78,83,84,85,88,9#..(DM1,T1,T2,T3,T4)..IV3198808-199505
86790CAMERA ASSY, TELEVISION
main86790-36010iBU73,87..03S..IV3;BU60,61,66,67,72,74,78,83,84,85,88,9#..(DM1,T1,T2,T3,T4,TW1)..(20T,275,30T,35T)..IV3198808-199505
86791BRACKET, TELEVISION CAMERA
main86791-95400iBU94..DSL..IV3;BU88..T4..30T..IV3;BU72..TR..20T..IV3;BU88..(T2,T3,TW1)..IV3;BU60,61,66,67,74,78,83,84,85,87,90,91,95,96..(TR,V)..03S..IV3198808-199505
86793SPACER, CAMERA BRACKET
main86793-95400iBU94..DSL..IV3;BU88..T4..30T..IV3;BU88..(T2,T3,TW1)..IV3;BU60,61,66,67,72,73,74,78,83,84,87,91,96..(TR,V)..03S..IV3198808-199505
86794COVER, TELEVISION CAMERA WIRE
main86794-95400iBU74..20T..IV3;BU73,87..03S..IV3;BU60,61,66,67,72,78,84,88,9#..(DM1,T1,T2,T3,T4,TW1)..(20T,275,30T,35T)..IV3198808-199505
86799WIRE, TELEVISION CAMERA
main86799-36010iBU73,87..03S..IV3;BU60,61,66,67,72,74,78,83,84,85,88,9#..(DM1,T1,T2,T3,T4,TW1)..(20T,275,30T,35T)..IV3198808-199505
main86799-36020iBU73,87..03S..IV3;BU60,61,66,67,72,74,78,83,84,85,88,9#..(DM1,T1,T2,T3,T4,TW1)..(20T,275,30T,35T)..IV3198808-199505
NO.2,11M
sub86799-36040
main86799-36030iBU73,87..03S..IV3;BU60,61,66,67,72,74,78,83,84,85,88,9#..(DM1,T1,T2,T3,T4,TW1)..(20T,275,30T,35T)..IV3198808-199505
NO.2,12M
sub86799-36040
main86799-36040iBU73,87..03S..IV3;BU60,61,66,67,72,74,78,83,84,85,88,9#..(DM1,T1,T2,T3,T4,TW1)..(20T,275,30T,35T)..IV3198808-199505
NO.2,13M
8271112200WIRE, FUSE TO FUSE(FOR COMBUSTION HEATER)
main82711-12200
9015950174
main90159-50174
9017905095
main90179-05095
9018305103
main90183-05103
9026005002
main90260-05002
9046106671
main90461-06671
9046106902
main90461-06902
9046315003
main90463-15003
9046400052
main90464-00052
9046400166
main90464-00166
9048015002
main90480-15002
9098209002
main90982-09002
9165160620
main91651-60620
9165640816
main91656-40816
9324955016
main93249-55016
9338515016
main93385-15016
9338516014
main93385-16014
9354015020
main93540-15020
9356055016
main93560-55016
9356855018
main93568-55018
9388516014
main93885-16014
9411040800
main94110-40800
32 parts on this diagram · 2 diagrams in section