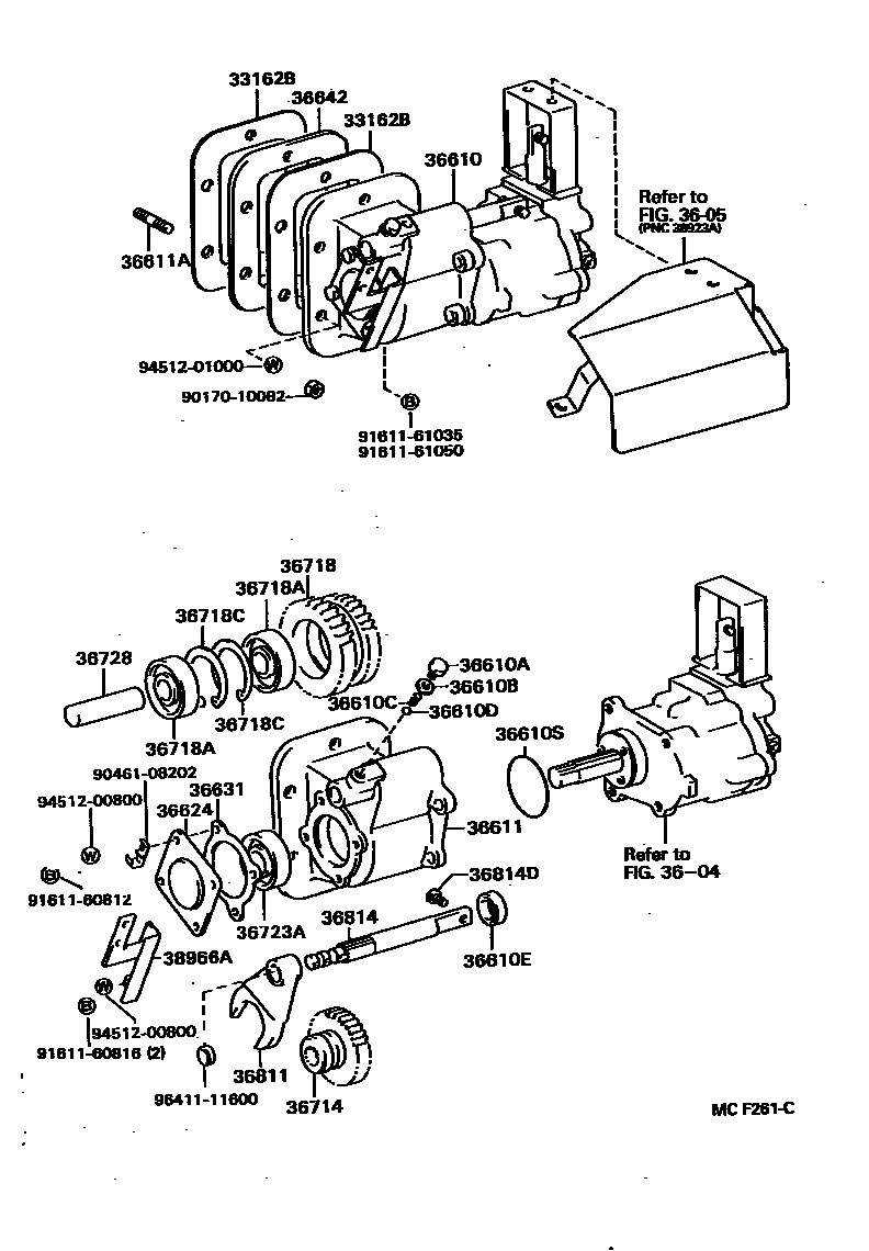
POWER TAKE-OFF CASE & GEAR

33162BGASKET, POWER TAKE-OFF COVER
main33162-96300iBU66..T2..5F..CBU;BU66..DYN..T2..5F..IV3;BU66..(DM1,DM2,DM3,DM5,T3,T4,TW4)..5F;BU60,61,67,68,72,73,74,78,8#,9#..(DMP,TR)..5F..(CBU,IV3)198808-199505
sub33162-37030
3604
3605
36610POWER TAKE-OFF ASSY
main36610-93112iBU66..T2..5F..CBU;BU66..DYN..T2..5F..IV3;BU66..(DM1,T3,T4,TW4)..5F;BU67,72,73,74,78,87,88,91,94,96..TR..5F..(CBU,IV3)198808-199505
36610ABOLT, LOCK BALL (FOR POWER TAKE-OFF)
main90103-12002iBU66..T2..5F..CBU;BU66..DYN..T2..5F..IV3;BU66,68..(DM1,T3,T4,TW4)..5F;BU60,61,67,72,73,74,78,8#,9#..TR..5F..(CBU,IV3)198808-199505
36610BGASKET, SEAT (FOR POWER TAKE-OFF)
main90430-12001iBU66..4FC;BU87..TR..5F;BU66..T2..5F..CBU;BU66..DYN..T2..5F..IV3;BU66,68,96..(DM1,T3,T4,TW4)..5F;BU60,61,67,72,73,74,78,83,84,88,91,94..TR..(CBU,IV3)198808-199505
main90430-12006iBU66..4FC;BU87..TR..5F;BU66..T2..5F..CBU;BU66..DYN..T2..5F..IV3;BU66,68,96..(DM1,T3,T4,TW4)..5F;BU60,61,67,72,73,74,78,83,84,88,91,94..TR..(CBU,IV3)198808-199505
36610CSPRING, GEAR SHIFT FORK LOCK BALL (FOR POWER TAKE-OFF)
main90501-14056iBU66..T2..5F..CBU;BU66..DYN..T2..5F..IV3;BU66,68,73..(DM1,T3,T4,TW4)..5F;BU60,61,67,72,74,78,8#,9#..TR..5F198808-199505
36610DBALL, GEAR SHIFT FORK LOCK (FOR POWER TAKE-OFF)
main90360-10001iBU66..T2..5F..CBU;BU66..DYN..T2..5F..IV3;BU66,68,73..(DM1,T3,T4,TW4)..5F;BU60,61,67,72,74,78,8#,9#..TR..5F198808-199505
36610ESEAL, OIL (FOR POWER TAKE-OFF)
main90311-22004iBU66..T2..5F..CBU;BU66..DYN..T2..5F..IV3;BU66,68..(DM1,T3,T4,TW4)..5F;BU60,61,67,72,73,74,78,8#,9#..TR..5F..(CBU,IV3)198808-199505
36610SRING, O (FOR POWER TAKE-OFF)
36611CASE, POWER TAKE-OFF
main36611-93110iBU66..T2..5F..CBU;BU66..DYN..T2..5F..IV3;BU66..(DM1,T3,T4,TW4)..5F;BU67,72,74,78,87,88,91,94,96..TR..5F198808-199505
36611ABOLT, STUD (FOR POWER TAKE-OFF CASE)
36624CAP, POWER TAKE-OFF BEARING
36631GASKET, POWER TAKE-OFF BEARING RETAINER
sub36632-36020
main36632-93200iBU66..175,275;BU66..5F..ST..IV3;BU66..DYN..T2..5F..IV3;BU66,68..(DM1,T4)..5F..IV3;BU66..TR..5F..(20T,30T)..CBU;BU60,61,67,72,73,74,78,8#,9#..TR..5F..(CBU,IV3)198808-199505
36642SPACER, POWER TAKE-OFF COVER
main33162-96300iBU66..T2..5F..CBU;BU66..DYN..T2..5F..IV3;BU66..(DM1,DM2,DM3,DM5,T3,T4,TW4)..5F;BU60,61,67,68,72,73,74,78,8#,9#..(DMP,TR)..5F..(CBU,IV3)198808-199505
sub33162-37030
36714GEAR, POWER TAKE-OFF OUTPUT
main36714-93101iBU66..T2..5F..CBU;BU66..DYN..T2..5F..IV3;BU66,68..(DM1,T3,T4,TW4)..5F;BU60,61,67,72,74,78,8#,9#..TR..5F198808-199505
36718GEAR, POWER TAKE-OFF IDLER
main36718-93109iBU66..175,275;BU87,88..TR..5F;BU66..5F..ST..IV3;BU66..DYN..T2..5F..IV3;BU66..(DM1,T4)..5F..IV3;BU66..TR..5F..(20T,30T)..CBU;BU67,72,73,74,78,9#..TR..5F..03S198808-199505
36718ABEARING(FOR POWER TAKE-OFF IDLER GEAR FRONT)
main90366-22001iBU66..T2..5F..CBU;BU66..DYN..T2..5F..IV3;BU66,68,73..(DM1,T3,T4,TW4)..5F;BU60,61,67,72,74,78,8#,9#..TR..5F198808-199505
36718CRING, HOLE SNAP(FOR POWER TAKE-OFF IDLER GEAR)
main90521-56108iBU68,73..03S;BU66..175,275;BU66..5F..ST..IV3;BU66..DYN..T2..5F..IV3;BU66..(DM1,T4)..5F..IV3;BU66..TR..5F..(20T,30T)..CBU;BU60,61,67,72,74,78,8#,9#..TR..5F198808-199505
36723SHAFT, POWER TAKE-OFF OUTPUT, NO.1
main36723-93101iBU66..T2..5F..CBU;BU66..DYN..T2..5F..IV3;BU66,68..(DM1,T3,T4,TW4)..5F;BU60,61,67,72,74,78,8#,9#..TR..5F198808-199505
36723ABEARING (FOR OUTPUT SHAFT FRONT)
main90363-25001iBU66..T2..5F..CBU;BU66..DYN..T2..5F..IV3;BU66,68..(DM1,T3,T4,TW4)..5F;BU60,61,67,72,74,78,8#,9#..TR..5F198808-199505
36728SHAFT, POWER TAKE-OFF IDLER
36811FORK, POWR TAKE-OFF SHIFT, NO.1
main36811-93101iBU66..T2..5F..CBU;BU66..DYN..T2..5F..IV3;BU66,68..(DM1,T3,T4,TW4)..5F;BU60,61,67,72,73,74,78,8#,9#..TR..5F..(CBU,IV3)198808-199505
36814SHAFT, POWR TAKE-OFF FORK, NO.1
main36814-93110iBU66..T2..5F..CBU;BU66..DYN..T2..5F..IV3;BU66,68,73..(DM1,T3,T4,TW4)..5F;BU60,61,67,72,74,78,8#,9#..TR..5F198808-199505
36814DBOLT, SERRATION (FOR POWER TAKE-OFF SHAFT)
38966ABRACKET, CABLE CLAMP, NO.6
9017010082
main90170-10082
9046108202
main90461-08202
9161160812
main91611-60812
9161160816
main91611-60816
9161161035
main91611-61035
9161161050
main91611-61050
9451200800
main94512-00800
9451201000
main94512-01000
9641111600
main96411-11600
35 parts on this diagram · 10 diagrams in section