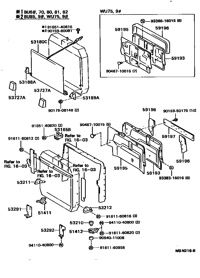
RADIATOR SUPPORT & WIND GUIDE

1603
51411BRACKET, RADIATOR SUPPORT, RH
51412BRACKET, RADIATOR SUPPORT, LH
53165BSUPPORT, RADIATOR, CENTER
53180CSHUTTER ASSY, RADIATOR
53188ABRACKET, RADIATOR SHUTTER SUPPORT, RH
53189ABRACKET, RADIATOR SHUTTER SUPPORT, LH
53210SUPPORT ASSY, RADIATOR
53211SUPPORT, RADIATOR, RH
53212SUPPORT, RADIATOR, LH
53291SEAL, RADIATOR SUPPORT TO FRAME, RH
53727ASHUTTER, HOT AIR SIDE
59193GUARD, NOISE SHUTTER
main59193-95401iBU60..DYN..T3;BU60..TOY..(T1,T3);BU60..DYN..T1..IV3;BU61,62,64,82..(DM1,DM3,DM4,T3)..5F198708-198808
59195INSULATOR, NOISE SHUTTER
main59195-95401iBU60..DYN..T3;BU60..TOY..(T1,T3);BU60..DYN..T1..IV3;BU61,62,64,82..(DM1,DM3,DM4,T3)..5F198708-198808
59196SEAL, NOISE SHUTTER, UPPER NO.1
sub59196-37010
59197SEAL, NOISE SHUTTER, UPPER NO.2
sub59197-37010
9015950176
main90159-50176
9015960081
main90159-60081
9017908146
main90179-08146
9046710015
main90467-10015
9054011008
main90540-11008
9161160612
main91611-60612
9161160816
main91611-60816
9161160820
main91611-60820
9161160855
main91611-60855
9165140816
main91651-40816
9165140820
main91651-40820
9338316016
main93383-16016
9338616016
main93386-16016
9411040800
main94110-40800
31 parts on this diagram · 1 diagram in section