HEATING & AIR CONDITIONING - COMPRESSOR

1605
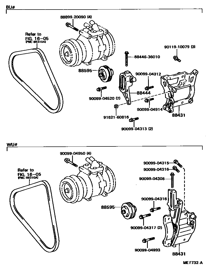
88431BRACKET, COMPRESSOR MOUNTING, NO.1
88444BRACKET, IDLE PULLEY
88595PULLEY, COOLER COMPRESSOR IDLE
8844636010BOLT, IDLE PULLEY
main88446-36010
8889920090COVER, EVAPORATOR
main88899-20090
9009904306
main90099-04306
9009904312
main90099-04312
9009904313
main90099-04313
9009904315
main90099-04315
9009904316
main90099-04316
9009904317
main90099-04317
9009904520
main90099-04520
9009904914
main90099-04914
9009904950
main90099-04950
9009904993
main90099-04993
9011910079
main90119-10079
9162160816
main91621-60816
18 parts on this diagram · 2 diagrams in section