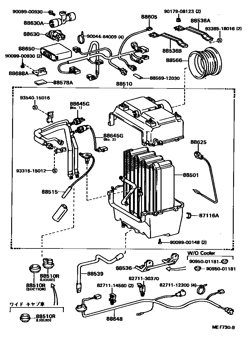
HEATING & AIR CONDITIONING - COOLER UNIT

87116ASPRING, HOLDING (FOR COOLER UNIT CASE)
88501EVAPORATOR SUB-ASSY, COOLER, NO.1
88510UNIT ASSY, COOLER
88510RGROMMET (FOR COOLER UNIT)
LIQUID
LIQUID
SUCTION
LIQUID,W/O COOLER
88515VALVE, COOLER EXPANSION
88536BRACKET, COOLING UNIT, NO.1
88536ABRACKET, COOLING UNIT, NO.2
88536BBRACKET, COOLING UNIT, NO.3
88539HOSE, COOLER UNIT DRAIN, NO.1
88566DUCT, COOLER AIR, NO.1
88578APACKING, COOLER STABILIZER AMPLIFIER
88605HARNESS SUB-ASSY, COOLER WIRING, NO.1
88625THERMISTOR, COOLER, NO.1
sub88625-28150
88630RELAY ASSY, COOLER
88630ARELAY ASSY, COOLER
88645GSWITCH, PRESSURE
NO.2
88648WIRING, COOLER, NO.1
88650AMPLIFIER ASSY, COOLER STABILIZER
88688ABRACKET, COOLER STABILIZER AMPLIFIER
8271112200WIRE, FUSE TO FUSE(FOR COMBUSTION HEATER)
main82711-12200
8271114560WIRE, FUSE TO FUSE(FOR COMBUSTION HEATER)
main82711-14560
8271130370WIRE, FUSE TO FUSE(FOR COMBUSTION HEATER)
main82711-30370
8856912030CLAMP (FOR COOLER RELAY)
main88569-12030
9004464009
main90044-64009
9009900148
main90099-00148
9009900930
main90099-00930
9017908123
main90179-08123
9095001181
main90950-01181
9331515012
main93315-15012
9338518016
main93385-18016
9354015016
main93540-15016
31 parts on this diagram · 1 diagram in section