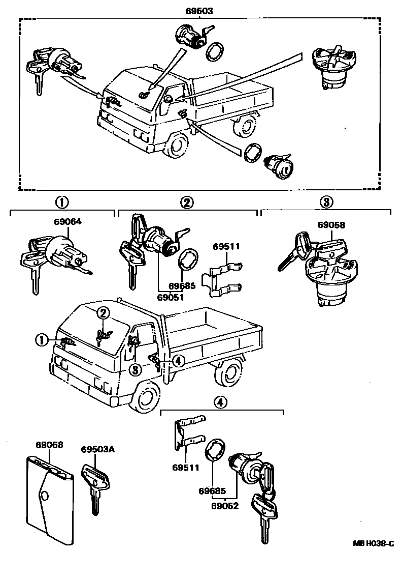
LOCK CYLINDER SET

69051CYLINDER & KEY SET, DOOR LOCK, RH
69052CYLINDER & KEY SET, DOOR LOCK, LH
W/FR SLIDE DOOR
69058CYLINDER & KEY SET, FUEL FILLER LID
69064CYLINDER & KEY SET, IGNITION SWITCH LOCK
69068COVER SUB-ASSY, KEY
69503CYLINDER SET, LOCK
W/FR SLIDE DOOR,SUB TANK
69503AKEY, BLANK
69511RETAINER, FRONT DOOR LOCK CYLINDER
LH,W/FR SLIDE DOOR
RH,W/FR SLIDE DOOR
69685PAD, LOCK CYLINDER
BACK & SLIDE DOOR
FR DOOR
9 parts on this diagram · 2 diagrams in section