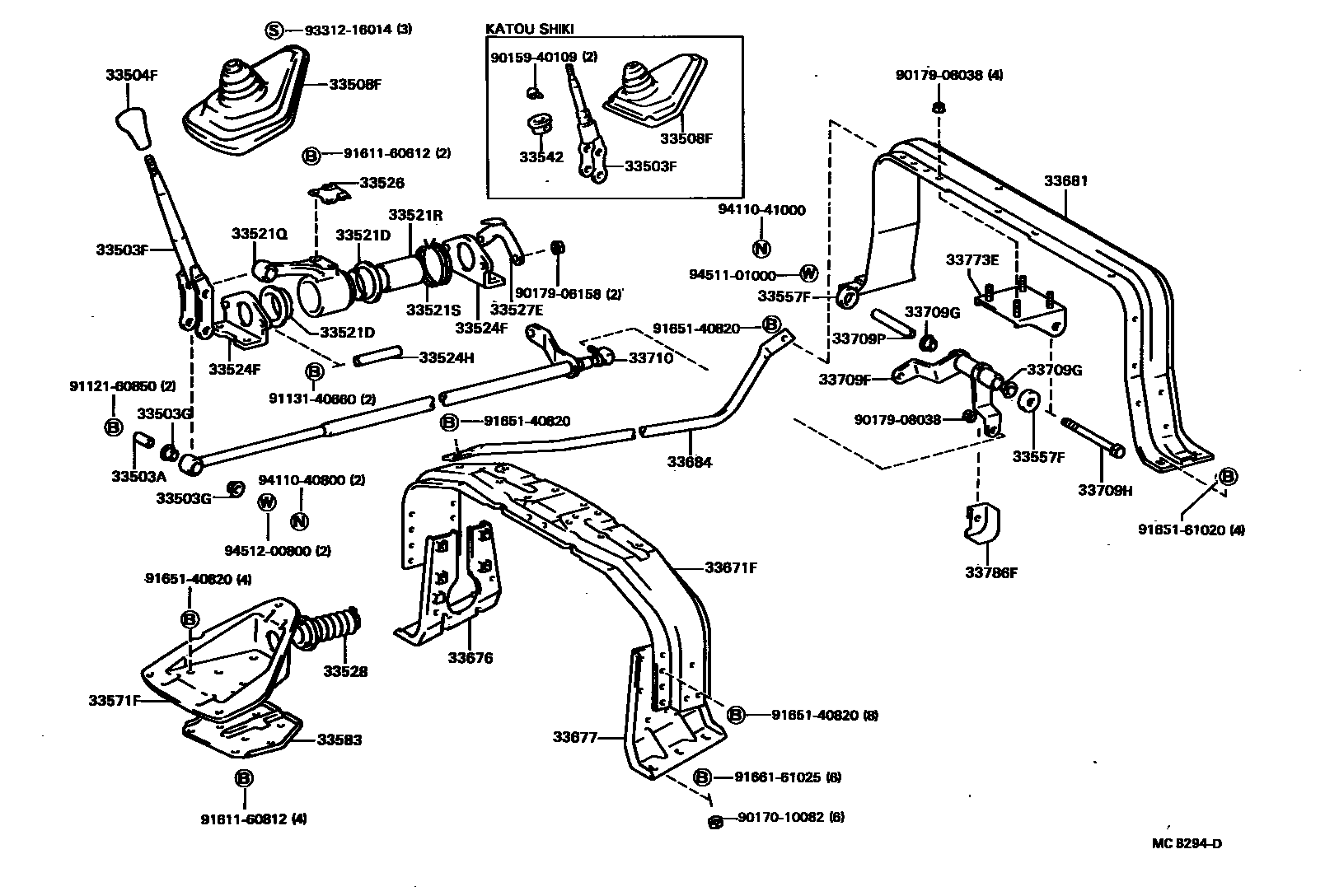
SHIFT LEVER & RETAINER

33503ACOLLAR(FOR SHIFT LEVER)
33503FLEVER SUB-ASSY, SHIFT(FOR FLOOR SHIFT)
KATOUSHIKI
33503GBUSH(FOR SHIFT LEVER)
33504FKNOB SUB-ASSY, SHIFT LEVER
BLACK,BLACK
BLUE,BLUE
BLACK
33508FBOOT SUB-ASSY, CONTROL SHAFT (FOR FLOOR SHIFT)
KATOUSHIKI
33521DBUSH (FOR SHIFT LEVER HOUSING)
33521QHOUSING, SHIFT LEVER (FOR FLOOR SHIFT)
33521RCOLLAR (FOR SHIFT LEVER HOUSING)
33521SSPRING (FOR SHIFT LEVER HOUSING)
33524FBRACKET, CONTROL LEVER HOUSING SUPPORT (FOR FLOOR SHIFT)
33524HCOLLER (FOR CONTROL LEVER HOUSING SUPPORT BRACKET)
33526PLATE, SHIFT LEVER SUPPORT, NO.1
33527EPLATE, SHIFT LEVER SUPPORT, NO.2
33528COVER, CONTROL SHAFT
33542KNOB, SPRING BACK SHIFT LEVER
33557FCOVER, CONTROL BELLCRANK DUST (FOR FLOOR SHIFT)
33571FBRACKET, CONTROL SHAFT, LOWER NO.2
33583BRACKET, CONTROL SHAFT, LOWER NO.2
33671FSUPPORT, CONTROL ROD, NO.1
W/TRUCK FREEZER
W/TRUCK FREEZER
main33671-36040iBU62..BTP,CTP,DTP;BU6#,70,80,81,82..DM1,DM2,DM3,DM4,HRF,SRF,T1,T2,T3,TW1,TW2,TW4¥11,400198409-198708
33676SUPPORT, CONTROL ROD MEMBER, RH (FOR FLOOR SHIFT)
33677SUPPORT, CONTROL ROD MEMBER, LH (FOR FLOOR SHIFT)
33681MEMBER, CONTROL ROD, REAR
33684ROD, CONTROL MEMBER BRACE
W/TRUCK FREEZER
33709FSHAFT SUB-ASSY, CROSS, NO.1 (FOR FLOOR SHIFT)
33709GBUSH (FOR CROSS SHAFT, NO.1
33709HBOLT, HEXAGON (FOR CROSS SHAFT)
33709PCOLLAR (FOR CROSS SHAFT)
33710ROD ASSY, GEAR SHIFTING, NO.1
33773ESUPPORT, CROSS SHAFT, NO.1
33786FINSULATOR, CROSS SHAFT LEVER HEAT, NO.2 (FOR FLOOR SHIFT)
9015940109
9017010082
9017906158
9017908038
9112160850
main91121-60850
9113140660
9161160612
9161160812
9165140820
9165161020
9166161025
9331216014
9411040800
9411041000
9451101000
9451200800
46 parts on this diagram · 5 diagrams in section