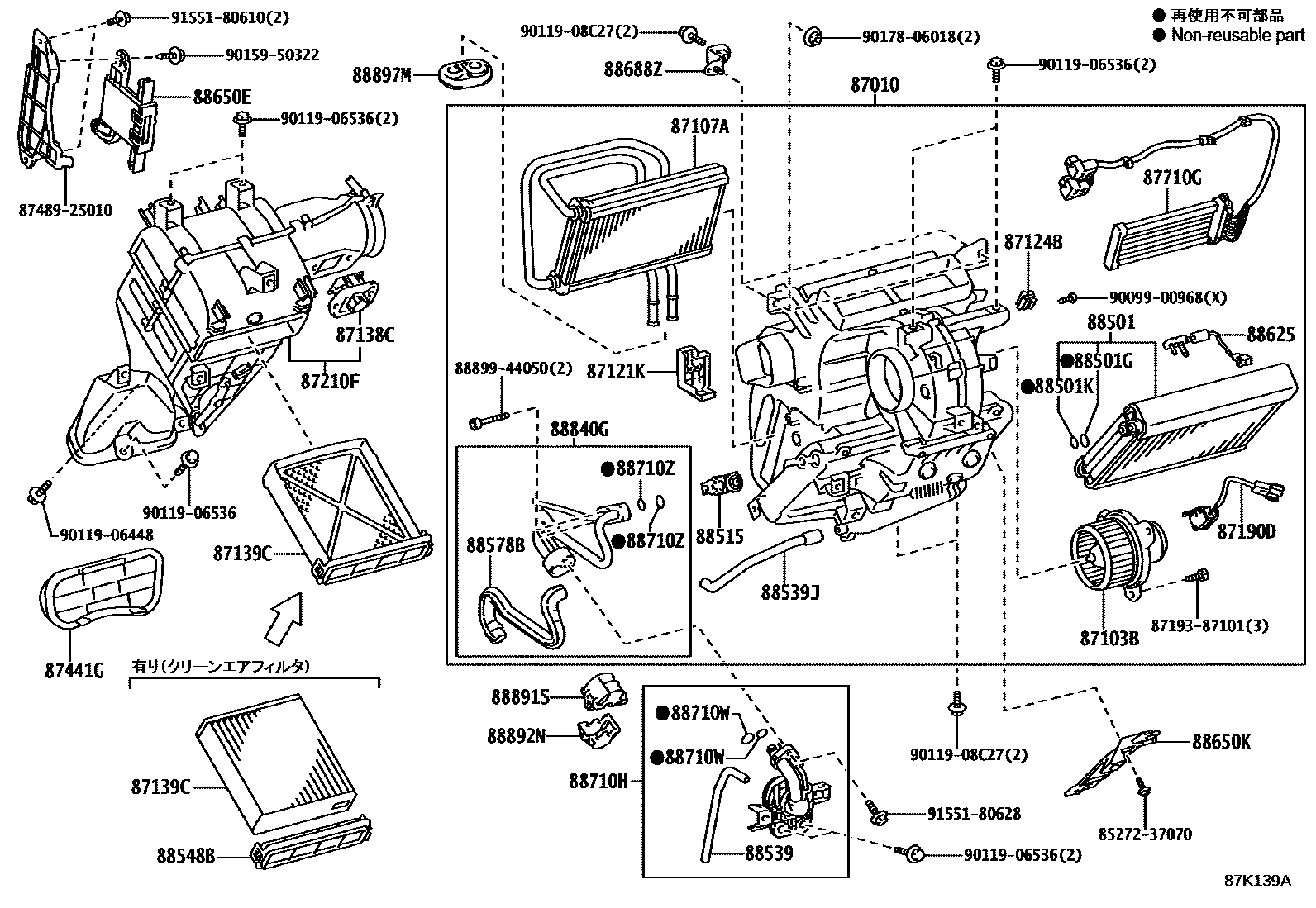
HEATING & AIR CONDITIONING - COOLER UNIT

87103BMOTOR SUB-ASSY, BLOWER W/FAN
87107AUNIT SUB-ASSY, HEATER RADIATOR
87121KBRACKET, HEATER
87124BCLAMP, HEATER
87138CRESISTOR, BLOWER
87139CFILTER, CLEAN AIR
87190DSWITCH ASSY, TEMPERATURE CONTROL
87210FCASE ASSY, AIR DAMPER
87441GFILTER, HEATER AIR
87710GQUICK HEATER ASSY
88501EVAPORATOR SUB-ASSY, COOLER, NO.1
88501GO-RING, COOLER EVAPORATOR NO.1(SUCTION)
88501KO-RING, COOLER EVAPORATOR NO.1(LIQUID)
88515VALVE, COOLER EXPANSION
88539HOSE, COOLER UNIT DRAIN, NO.1
88539JHOSE, DRAIN COOLER
88548BCASE, AIR FILTER
88578BPACKING, COOLING UNIT, NO.1
88625THERMISTOR, COOLER, NO.1
88650EAMPLIFIER ASSY, AIR CONDITIONER, NO.1
88650KBRACKET, RELAY
88688ZBRACKET
88710HTUBE & ACCESSORY ASSY, AIR CONDITIONER
88710WRING, O, NO.1(FOR TUBE & ACCESSORY ASSY, AIR CONDITIONER)
88710ZRING, O, NO.2(FOR TUBE & ACCESSORY ASSY, AIR CONDITIONER)
88840GTUBE & ACCESSORY ASSY, AIR CONDITIONER, NO.2
88891SCOVER, COOLER, NO.1
88892NCOVER, COOLER, NO.2
88897MGROMMET (FOR HEATER PIPE)
8527237070CABLE SUB-ASSY, HEADLAMP CLEANER, RH
main85272-37070
8719387101
main87193-87101
8748925010
main87489-25010
8889944050COVER, EVAPORATOR
main88899-44050
9009900968
main90099-00968
9011906448
main90119-06448
9011906536
main90119-06536
9011908C27
main90119-08C27
9015950322
main90159-50322
9017806018
main90178-06018
9155180610
main91551-80610
9155180628
main91551-80628
42 parts on this diagram · 3 diagrams in section