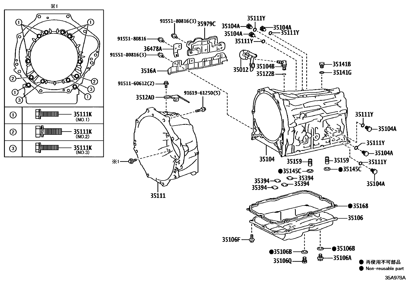
TRANSMISSION CASE & OIL PAN (ATM)

35012HOSE SUB-ASSY, TRANSMISSION BREATHER
35104CASE SUB-ASSY, AUTOMATIC TRANSMISSION
35104APLUG, AUTOMATIC TRANSMISSION CASE
35104BPLUG, BREATHER, NO.1 (ATM)
35106PAN SUB-ASSY, AUTOMATIC TRANSMISSION OIL
35106APLUG SUB-ASSY, DRAIN (ATM)
35106BGASKET, DRAIN PLUG (ATM)
35106FBOLT (FOR AUTOMATIC TRANSMISSION OIL PAN)
35106QPLUG (FOR AUTOMATIC TRANSMISSION OIL PAN)
35111HOUSING, AUTOMATIC TRANSMISSION
35111KBOLT (FOR TRANSMISSION HOUSING & CASE SETTING)
35111YRING, O (FOR AUTOMATIC TRANSMISSION CASE)
35122BRING, O (FOR AUTOMATIC TRANSAXLE BREATHER TUBE UNION)
3512ADBRACKET, TRANSMISSION BREATHER
35141BPLUG (FOR AUTOMATIC TRANSMISSION CASE)
35141GRING, O (FOR AUTOMATIC TRANSMISSION CASE)
35145CGASKET, TRANSAXLE CASE
35159GASKET, BRAKE DRUM
35168GASKET, AUTOMATIC TRANSMISSION OIL PAN
3516AINSULATOR, TRANSAXLE OIL PAN HEAT
35394MAGNET, OIL CLEANER (FOR TRANSMISSION)
35979CINSULATOR, TRANSMISSION
36478ABRACKET, TRANSMISSION BREATHER
9151160612
main91511-60612
9155180816
main91551-80816
9161961250
main91619-61250
26 parts on this diagram · 2 diagrams in section