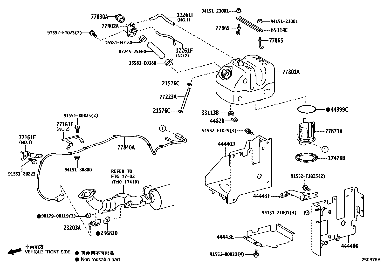
UREA TANK & TUBE

1702
17478BPLATE, LOCK
21576CCLIP(FOR LEVEL CONTROL TUBE)
23203AINJECTOR SET, UREA
23682DGASKET, NOZZLE HOLDER
33113BPLUG, DRAIN
44443EBRACKET, PUMP, NO.1
44443FBRACKET, PUMP, NO.2
44828RETAINER, DRAIN COCK
44999CRING, O(FOR UREA PUMP)
65314CPLATE, STOPPER
77223ATUBE, LEVEL CONTROL
77801ATANK SUB-ASSY, UREA
77830ACAP ASSY, UREA TANK
77865ANCHOR, UREA TANK CLAMP
77871APUMP, UREA
77902ATUBE SUB-ASSY, UREA TANK FILLER
16581E0180CLAMP, HOSE(FOR WATER HOSE)
main16581-E0180
8724525E60HOSE, HEATER WATER, INLET
main87245-25E60
9017908119
main90179-08119
9155180820
main91551-80820
9155180825
main91551-80825
91552F1025
main91552-F1025
9415121001
main94151-21001
9415180800
main94151-80800
30 parts on this diagram · 1 diagram in section