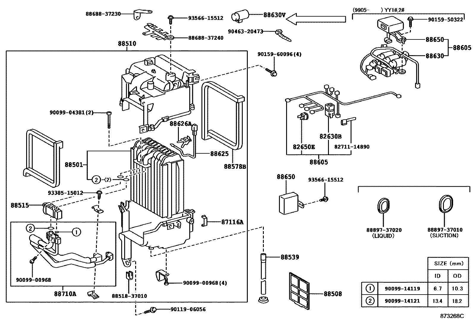
HEATING & AIR CONDITIONING - COOLER UNIT

82630BHOLDER ASSY, FUSE
main82630-95J03iLY162..LPG;LY101..MTM..125..IV3;LY201,211..(T2,T4)..MTM..15T..IV3;LY121,131,151,161,YY101,121,131,201,211199505
82650EBREAKER ASSY, WIRING CIRCUIT
main82650-12020iLY101..MTM..125..IV3;LY201,211..(T2,T4)..MTM..15T..IV3;LY102,112,12#,13#,15#,16#,202,212,YY101,121,131,201,211199505
87116ASPRING, HOLDING (FOR COOLER UNIT CASE)
88501EVAPORATOR SUB-ASSY, COOLER, NO.1
sub88501-35021
main88501-35021iLY161..LPG;LY102,202..TS..MTM..(125,15T)..IV3;LY122,132,212..(T2,T4)..MTM..15T..IV3199805-199907
main88501-35021iLY122..125;LY122..15T..CBU;LY102,132,212..CBU;LY102,132,212..ATM..IV3;LY132,212..(T3,TW2)..MTM..IV3;LY102,122,202..ST..(15T,1T)..IV3;LY112,152,162,YY101,121,131,201199905-199907
88508FILTER SUB-ASSY, CLEAN AIR
88510UNIT ASSY, COOLER
main88510-25060iLY102,202..TS..MTM..(125,15T)..IV3;LY122,132,212..(T2,T4)..MTM..15T..IV3199907-200107
sub88510-25060
sub88510-25060
88515VALVE, COOLER EXPANSION
sub88515-22240
88539HOSE, COOLER UNIT DRAIN, NO.1
88578BPACKING, COOLING UNIT, NO.1
88605HARNESS SUB-ASSY, COOLER WIRING, NO.1
W(FR HEAER)
88625THERMISTOR, COOLER, NO.1
sub88625-3A090
88626AHOLDER, THERMISTOR
88630RELAY ASSY, COOLER
88630VRELAY ASSY
88650AMPLIFIER ASSY, COOLER STABILIZER
W(FR HEAER)
8271114890WIRE, FUSE TO FUSE(FOR COMBUSTION HEATER)
main82711-14890
8851837010HOLDER, COOLING UNIT DOOR
main88518-37010
8868837230BRACKET, COOLER DIAPHRAGM
main88688-37230
8868837240BRACKET, COOLER DIAPHRAGM
main88688-37240
8889737010VALVE, COOLER MAGNET
main88897-37010
8889737020VALVE, COOLER MAGNET
main88897-37020
9009900968
main90099-00968
9009904381
main90099-04381
9009914119
main90099-14119
9009914121
main90099-14121
9011906056
main90119-06056
9015950322
main90159-50322
9015960096
main90159-60096
9046320473
main90463-20473
9338515012
main93385-15012
9356615512
main93566-15512
32 parts on this diagram · 2 diagrams in section