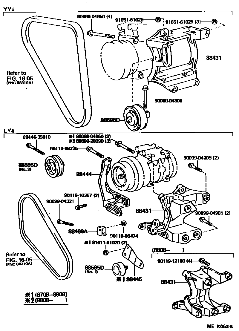
HEATING & AIR CONDITIONING - COMPRESSOR

1605
88431BRACKET, COMPRESSOR MOUNTING, NO.1
88444BRACKET, IDLE PULLEY
main88444-35050iLY50..WT1;LY51..CBU;LY51..ST..IV;LY50,61..T1,T3,TW;LY50..T2..ST..CBU;LY61..(T2,T4)..CBU198808-199505
88445BRACKET, IDLE PULLEY
88469ACOLLAR, ADJUSTING
88595DPULLEY ASSY, IDLE
8844635010BOLT, IDLE PULLEY
main88446-35010
8889920090COVER, EVAPORATOR
main88899-20090
9009904305
main90099-04305
9009904306
main90099-04306
9009904321
main90099-04321
9009904950
main90099-04950
9009904981
main90099-04981
9011908225
main90119-08225
9011908474
main90119-08474
9011910367
main90119-10367
9011912160
main90119-12160
9161161020
main91611-61020
9165161025
main91651-61025
19 parts on this diagram · 3 diagrams in section