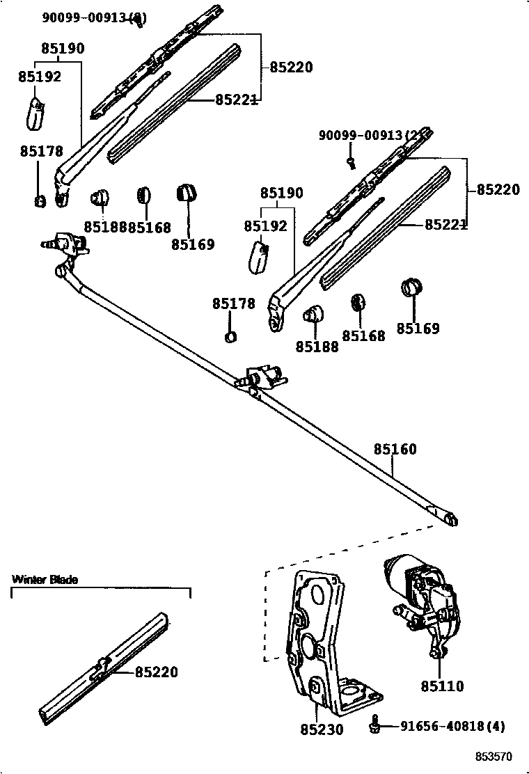
WINDSHIELD WIPER

85110MOTOR ASSY, WINDSHIELD WIPER
85160LINK ASSY, WINDSHIELD WIPER
85168NUT, WINDSHIELD WIPER LINK PIVOT
85169WASHER, WINDSHIELD WIPER LINK PIVOT, NO.1
85178NUT (FOR FRONT WIPER ARM SETTING)
85188CAP, WINDSHIELD WIPER PIVOT, NO.1
85190ARM ASSY, WINDSHIELD WIPER
85192COVER, WINDSHIELD WIPER ARM
85220BLADE ASSY, WINDSHIELD WIPER
sub85220-12651
sub85220-12561
sub85222-10220
sub85212-37010
sub85291-14010
sub85291-28H00
85221BLADE, WINDSHIELD WIPER
sub85214-12H90
85230BRACKET ASSY, WINDSHIELD WIPER
9009900913
main90099-00913
9165640818
main91656-40818
13 parts on this diagram · 1 diagram in section