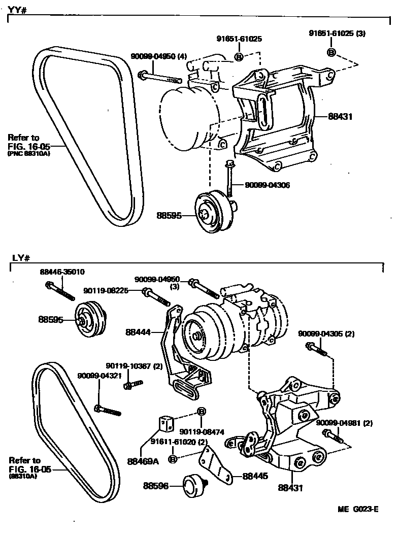
HEATING & AIR CONDITIONING - COMPRESSOR

1605
88444BRACKET, IDLE PULLEY
88445BRACKET, IDLE PULLEY
88469ACOLLAR, ADJUSTING
88595PULLEY, COOLER COMPRESSOR IDLE
88596PULLEY ASSY, IDLE, NO.2
8844635010BOLT, IDLE PULLEY
main88446-35010
9009904305
main90099-04305
9009904306
main90099-04306
9009904321
main90099-04321
9009904950
main90099-04950
9009904981
main90099-04981
9011908225
main90119-08225
9011908474
main90119-08474
9011910367
main90119-10367
9161161020
main91611-61020
9165161025
main91651-61025
18 parts on this diagram · 2 diagrams in section