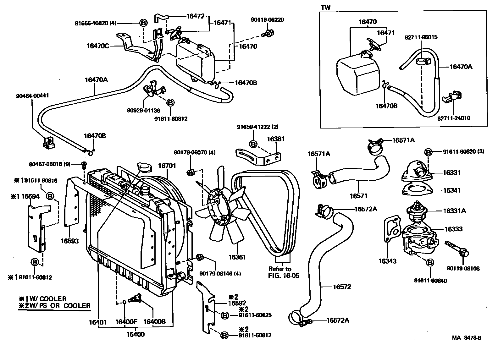
RADIATOR & WATER OUTLET

1605
16331OUTLET, WATER
16333HOUSING, WATER OUTLET
16343GASKET, WATER OUTLET HOUSING
sub16343-54021
16381BAR, FAN BELT ADJUSTING
16400RADIATOR ASSY
16400BPLUG, RADIATOR DRAIN COCK
16400FPACKING(FOR RADIATOR DRAIN COCK)
16401CAP SUB-ASSY, RADIATOR
sub16401-54750
16470TANK ASSY, RADIATOR RESERVE
16470AHOSE OR PIPE(FOR RADIATOR RESERVE TANK)
16470BCLAMP OR CLIP(FOR RADIATOR RESERVE TANK HOSE)
16470CBRACKET(FOR RADIATOR RESERVE TANK)
16471CAP SUB-ASSY, RESERVE TANK
16472HOSE, BREATHER
16571HOSE, RADIATOR, INLET
16571ACLAMP OR CLIP, HOSE(FOR RADIATOR INLET)
sub90467-37003
16572HOSE, RADIATOR, OUTLET
RADIATOR TO PIPE
PIPE TO INLET
16592GUIDE, RADIATOR AIR, NO.3
W/COOLER 0R POWER STEERING
16593GUIDE, RADIATOR AIR, NO.1
16594GUIDE, RADIATOR AIR, NO.2
W/COOLER
16701SHROUD SUB-ASSY, FAN
COLD SPEC
COLD SPEC
8271124010WIRE, FUSE TO FUSE(FOR COMBUSTION HEATER)
main82711-24010
8271195015WIRE, FUSE TO FUSE(FOR COMBUSTION HEATER)
main82711-95015
9011906220
main90119-06220
9011908108
main90119-08108
9017906070
main90179-06070
9017908146
main90179-08146
9046400441
main90464-00441
9046705018
main90467-05018
9092901136
main90929-01136
9161160812
main91611-60812
9161160816
main91611-60816
9161160820
main91611-60820
9161160825
main91611-60825
9161160840
main91611-60840
9165540820
main91655-40820
9165941222
main91659-41222
42 parts on this diagram · 2 diagrams in section