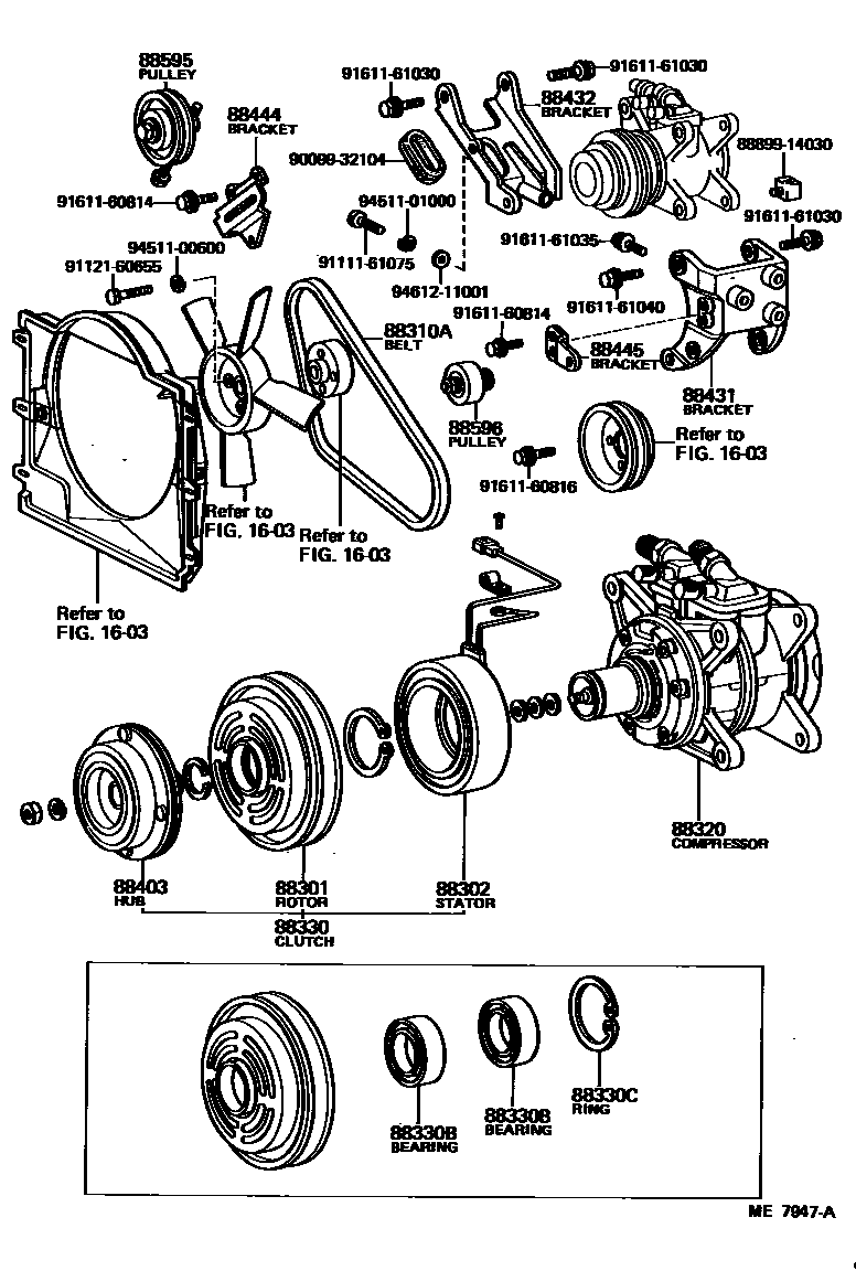
HEATING & AIR CONDITIONING - COMPRESSOR

1603
88301ROTOR SUB-ASSY, MAGNET CLUTCH
24V
88302STATOR SUB-ASSY, MAGNET CLUTCH
12V
12V
24V
24V
88320COMPRESSOR ASSY, COOLER
88330CLUTCH ASSY, MAGNET
12V
12V
24V
24V
24V
88330BBEARING, MAGNET CLUTCH
88330CRING, SNAP (FOR MAGNET CLUTCH)
12V
24V
12V
88431BRACKET, COMPRESSOR MOUNTING, NO.1
88432BRACKET, COMPRESSOR MOUNTING, NO.2
88445BRACKET, IDLE PULLEY
88595PULLEY, COOLER COMPRESSOR IDLE
88596PULLEY ASSY, IDLE, NO.2
8889914030COVER, EVAPORATOR
main88899-14030
9009932104
main90099-32104
9111161075
main91111-61075
9112160655
main91121-60655
9161160814
main91611-60814
9161160816
main91611-60816
9161161030
main91611-61030
9161161035
main91611-61035
9161161040
main91611-61040
9451100600
main94511-00600
9451101000
main94511-01000
9461211001
main94612-11001
27 parts on this diagram · 6 diagrams in section