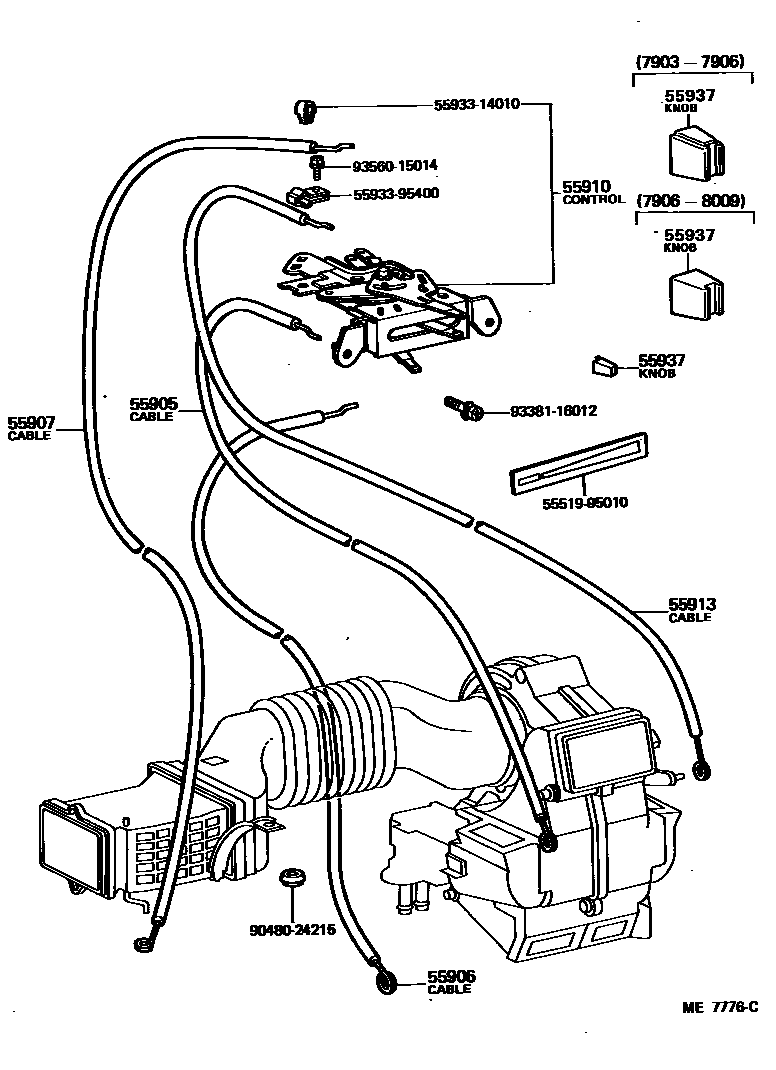
HEATING & AIR CONDITIONING - CONTROL & AIR DUCT

55905CABLE SUB-ASSY, DEFROST CONTROL
55906CABLE SUB-ASSY, HEATER CONTROL
55907CABLE SUB-ASSY, HEATER AIR INLET BUTTERFLY
55910CONTROL ASSY, HEATER OR BOOST VENTILATOR
55913CABLE SUB-ASSY, BOOST VENT CONTROL
sub55909-95400
5551995010PLATE, HEATER CONTROL NAME
main55519-95010
5593314010GUIDE, LEVER, NO.2
main55933-14010
5593395400GUIDE, LEVER, NO.2
main55933-95400
9048024215
main90480-24215
9338116012
main93381-16012
9356015014
main93560-15014
12 parts on this diagram · 2 diagrams in section