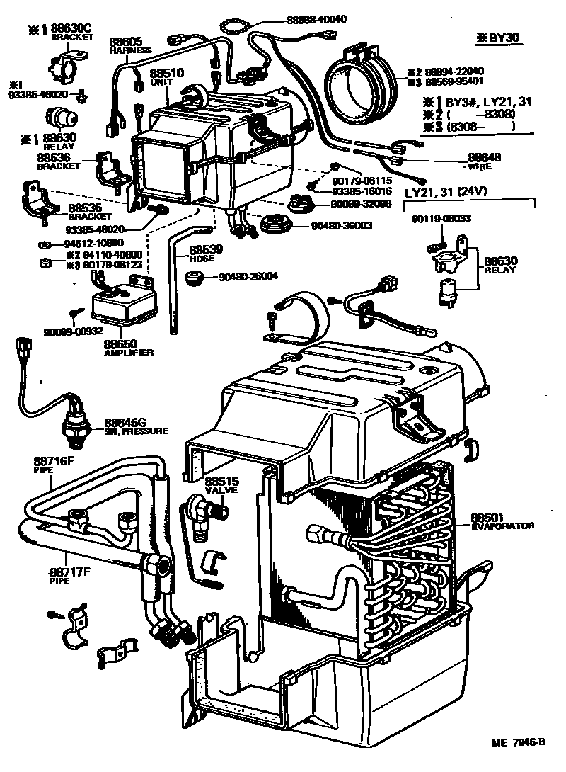
HEATING & AIR CONDITIONING - COOLER UNIT

88501EVAPORATOR SUB-ASSY, COOLER, NO.1
88510UNIT ASSY, COOLER
88515VALVE, COOLER EXPANSION
88536BRACKET, COOLING UNIT, NO.1
88539HOSE, COOLER UNIT DRAIN, NO.1
88605HARNESS SUB-ASSY, COOLER WIRING, NO.1
88630RELAY ASSY, COOLER
12V
88630CBRACKET, COOLER RELAY
88645GSWITCH, PRESSURE
sub88645-30250
88648WIRING, COOLER, NO.1
88650AMPLIFIER ASSY, COOLER STABILIZER
12V
24V
88716FPIPE, COOLER REFRIGERANT LIQUID, F
88717FPIPE, COOLER REFRIGERANT SUCTION, F
8856995401CLAMP (FOR COOLER RELAY)
main88569-95401
8888840040BAND (FOR COOLER COMPRESSOR)
main88888-40040
8889422040
main88894-22040
9009900932
main90099-00932
9009932098
main90099-32098
9011906033
main90119-06033
9017906115
main90179-06115
9017908123
main90179-08123
9048026004
main90480-26004
9048036003
main90480-36003
9338516016
main93385-16016
9338546020
main93385-46020
9338548020
main93385-48020
9411040800
main94110-40800
9461210800
main94612-10800
28 parts on this diagram · 1 diagram in section