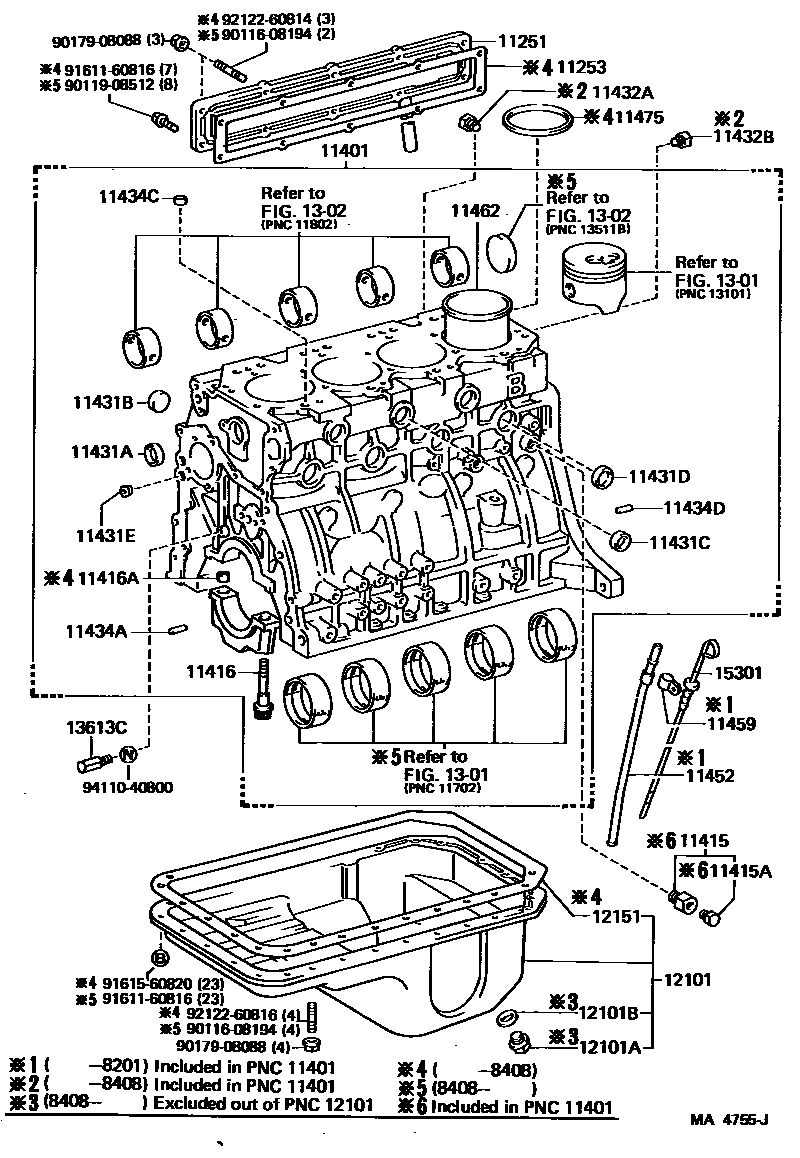
CYLINDER BLOCK

11253GASKET, VALVE PUSH ROD COVER
11401BLOCK SUB-ASSY, CYLINDER
sub11401-49336
sub11401-49337
sub11401-59155
sub11401-59195
sub11401-59185
sub11401-59185
sub11401-59205
sub11401-59195
sub11401-59206
sub11401-59236
sub11401-59246
11416BOLT(FOR CRANKSHAFT BEARING CAP SET)
*12-1.25PX75-22
*12-1.25PX80-24
11416APIN, RING(FOR CRANKSHAFT BEARING CAP SET)
11431APLUG, TIGHT, NO.1(FOR CYLINDER BLOCK)
OD=21
OD=51
OD=25
OD=50
11431BPLUG, TIGHT, NO.2(FOR CYLINDER BLOCK)
OD=30
OD=35
OD=50
11431CPLUG, TIGHT, NO.3(FOR CYLINDER BLOCK)
OD=21
OD=27
OD=50
11431DPLUG, TIGHT, NO.4(FOR CYLINDER BLOCK)
OD=30
11431EPLUG, TIGHT, NO.5(FOR CYLINDER BLOCK)
11432BPLUG, W/HEAD TAPER SCREW, NO.2
11434APIN, STRAIGHT(FOR TIMING GEAR COVER SET)
11434CPIN, STRAIGHT (FOR CYLINDER HEAD SET)
11434DPIN, STRAIGHT(FOR ENGINE REAR OIL SEAL)
11452GUIDE, OIL LEVEL GAGE
11459SUPPORT, OIL LEVEL GAGE GUIDE
11462LINER, CYLINDER
11475SHIM, CYLINDER LINER
T=0.05
T=0.05
T=0.10
T=0.10
12101PAN SUB-ASSY, OIL
sub12101-39246
sub12101-49325
sub12101-49198
sub12101-49217
sub12101-54052
sub12101-54053
sub12101-59096
sub12101-59125
sub12101-59146
1301
1302
13613CNOZZLE, OIL
9011608194
main90116-08194
9011908512
main90119-08512
9017908088
main90179-08088
9161160816
main91611-60816
9161560820
main91615-60820
9212260814
main92122-60814
9212260816
main92122-60816
9411040800
main94110-40800
37 parts on this diagram · 6 diagrams in section