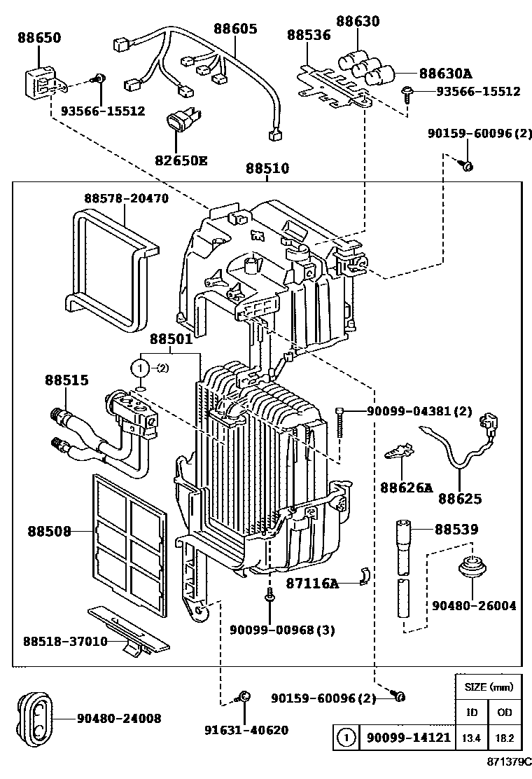
HEATING & AIR CONDITIONING - COOLER UNIT

82650EBREAKER ASSY, WIRING CIRCUIT
87116ASPRING, HOLDING (FOR COOLER UNIT CASE)
88508FILTER SUB-ASSY, CLEAN AIR
88510UNIT ASSY, COOLER
88539HOSE, COOLER UNIT DRAIN, NO.1
88605HARNESS SUB-ASSY, COOLER WIRING, NO.1
88626AHOLDER, THERMISTOR
88630RELAY ASSY, COOLER
88630ARELAY ASSY, COOLER
88650AMPLIFIER ASSY, COOLER STABILIZER
8851837010HOLDER, COOLING UNIT DOOR
main88518-37010
8857820470PAKING, COOLER AIR DUCT
main88578-20470
9009900968
main90099-00968
9009904381
main90099-04381
9009914121
main90099-14121
9015960096
main90159-60096
9048024008
main90480-24008
9048026004
main90480-26004
9163140620
main91631-40620
9356615512
main93566-15512
24 parts on this diagram · 4 diagrams in section