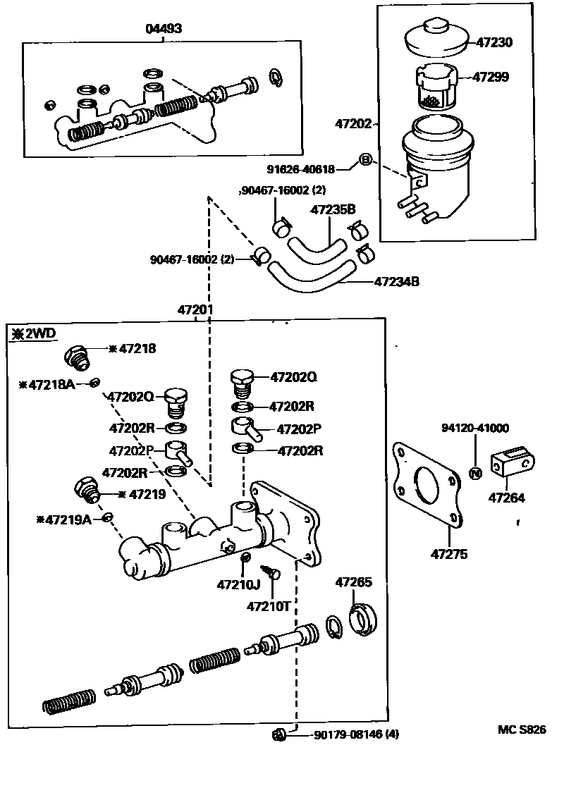
BRAKE MASTER CYLINDER

47201CYLINDER SUB-ASSY, BRAKE MASTER
47202PUNION, RESERVOIR(FOR BRAKE MASTER CYLINDER SIDE)
47202QBOLT, RESERVOIR UNION(FOR BRAKE MASTER CYLINDER SIDE)
47202RGASKET, RESERVOIR UNION(FOR BRAKE MASTER CYLINDER SIDE)
47210JGASKET(FOR MASTER CYLINDER)
47210TBOLT(FOR BRAKE MASTER CYLINDER)
47218PLUG, MASTER CYLINDER FLUID OUTLET
47218AGASKET(FOR FLUID OUTLET PLUG)
47219PLUG, MASTER CYLINDER FLUID OUTLET(FOR REAR SIDE)
47219AGASKET(FOR FLUID OUTLET PLUG REAR SIDE)
47235BTUBE, BRAKE MASTER CYRINDER RESERVOIR, NO.2
47264CLEVIS, MASTER CYLINDER PUSH ROD
47265BOOT, MASTER CYLINDER
47275GASKET, BRAKE MASTER CYLINDER
9017908146
main90179-08146
9046716002
main90467-16002
9162640618
main91626-40618
9412041000
main94120-41000
23 parts on this diagram · 2 diagrams in section