WIRING & CLAMP

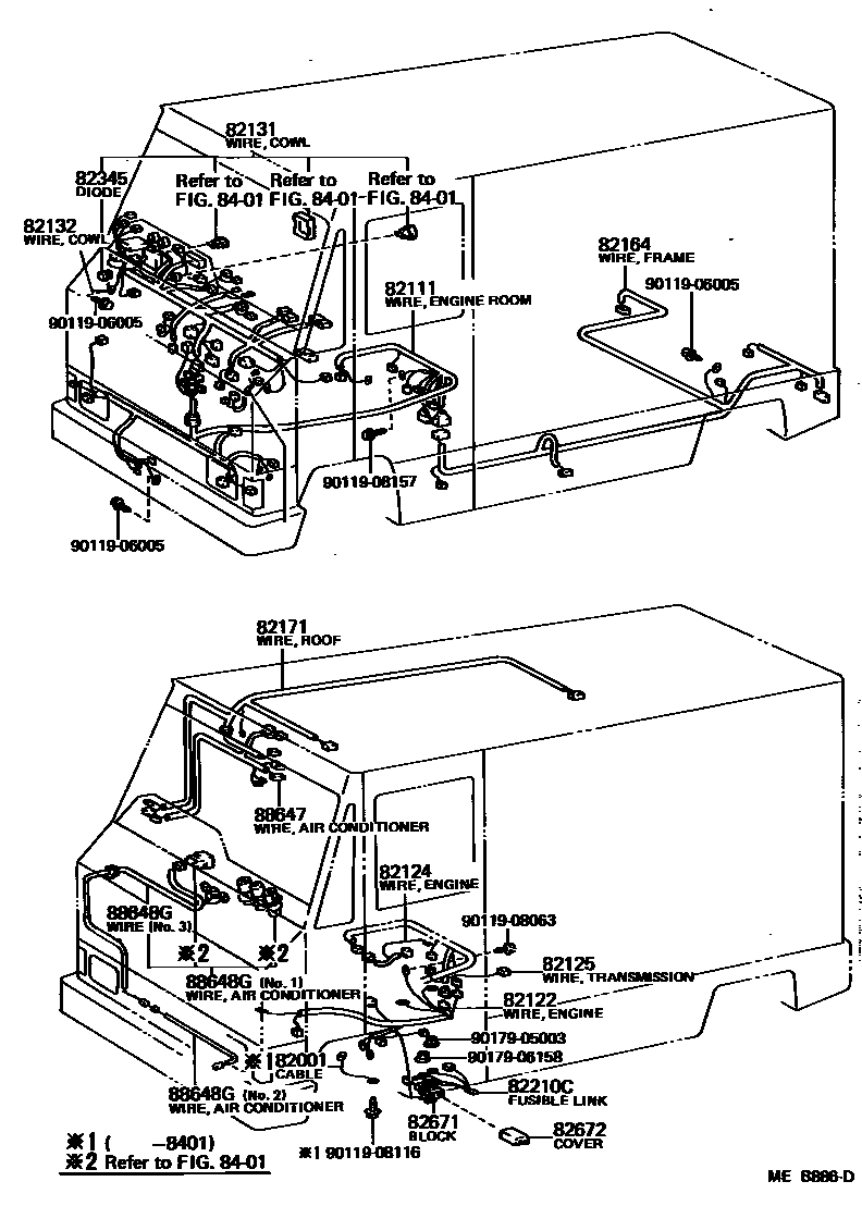
82111WIRE, ENGINE ROOM MAIN
82122WIRE, ENGINE, NO.2
82125WIRE, TRANSMISSION
82131WIRE, COWL
82132WIRE, COWL, NO.2
82164WIRE, FRAME
82171WIRE, ROOF, NO.1
W/*FL(3-LAMP)
W/*FL(2-LAMP)
W/*FL(3-LAMP)
W/*FL(2-LAMP)
W/*FL(3-LAMP)
W/*FL(2-LAMP)
W/*FL(1-LAMP)
W/*FL(3-LAMP)
W/*FL(2-LAMP)
82210CFUSIBLE LINK
82345DIODE
sub82345-12020
82671BLOCK, JUNCTION
82672COVER, JUNKTION BLOCK
sub82672-22020
8401
88647WIRE SUB-ASSY, COOLER
88648GWIRE, AIR CONDITIONER
NO.1
NO.1
NO.3
NO.2
9011906005
main90119-06005
9011908063
main90119-08063
9011908116
main90119-08116
9011908157
main90119-08157
9017905003
main90179-05003
9017906158
main90179-06158
22 parts on this diagram · 2 diagrams in section