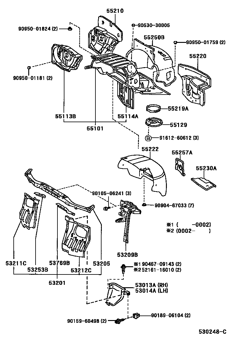
FRONT FENDER APRON & DASH PANEL

53013AGUIDE SUB-ASSY, FRONT SIDE AIR, RH
53014AGUIDE SUB-ASSY, FRONT SIDE AIR, LH
53205SUPPORT SUB-ASSY, RADIATOR, UPPER
53253BBRACKET, RADIATOR MOUNTING, UPPER
53769BBRACKET, POWER STEERING RESERVOIR TANK MOUNTING
55101PANEL SUB-ASSY, DASH
55113BPANEL SUB-ASSY, DASH SIDE, RH
55114APANEL SUB-ASSY, DASH SIDE, LH
55129COVER, DASH PANEL HOLE
55219APACKING, DASH PANEL HOLE COVER
55222INSULATOR, DASH PANEL, OUTER CENTER
55230AINSULATOR ASSY, DASH PANEL, NO.4
sub55230-26011
55257ACOVER, DASH PANEL OPENING
5216116010CUSHION, REAR BUMPER GUARD, NO.1
main52161-16010
9010506241
main90105-06241
9015960498
main90159-60498
9018906104
main90189-06104
9046709143
main90467-09143
9053030005
main90530-30005
9090467033
main90904-67033
9095001181
main90950-01181
9095001759
main90950-01759
9095001824
main90950-01824
9161260612
main91612-60612
31 parts on this diagram · 1 diagram in section