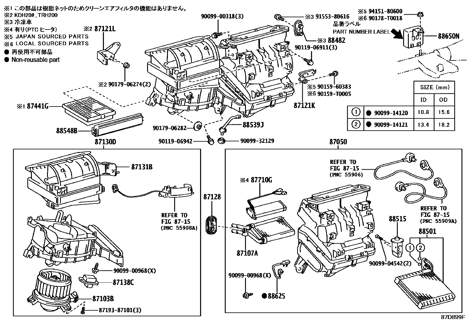
HEATING & AIR CONDITIONING - COOLER UNIT

87050RADIATOR ASSY, AIR CONDITIONER
main87050-26180iTRH200..SP..6FC;TRH223,228..IV5;TRH200..V1..HRF..6FC;TRH200..5D..03S..6FC;TRH200..HRF..4FC..CBU;TRH200..SRF..(06S,09S)..(4FC,6FC);TRH200,214,219..(03S,10S)..4FC..DX201312
main87050-26300supersedes 87050-26290iGDH20#..SP;GDH206..IV5;GDH206..5D..03S;GDH201..SRF..5D..DX;GDH201..V1..HRF..5D;GDH201..SRF..4D..(06S,09S);GDH206,22#..(05S,06S,09S,14S)..DX201712
87103BMOTOR SUB-ASSY, BLOWER W/FAN
main87103-12060iGDH221,226,TRH221,226..02S;GDH20#,211,223,KDH20#,211,223,TRH200,21#,223,224,228,229..(GC,GL,SGL)..CBU201312
87107AUNIT SUB-ASSY, HEATER RADIATOR
87121KBRACKET, HEATER
main87121-26200iGDH206..IV5;GDH201..SRF..5D;TRH200..03S..4FC;GDH201..V1..HRF..5D;TRH200..V1..HRF..6FC;TRH200..HRF..4FC..CBU;GDH20#,TRH200..SP..6FC;KDH20#,223,TRH223,224,228;GDH201.201312
87121LBRACKET, HEATER
87128GROMMET, HEATER
main87128-26030iGDH206..IV5;GDH201..SRF..5D;TRH200..03S..4FC;GDH201..V1..HRF..5D;TRH200..V1..HRF..6FC;TRH200..HRF..4FC..CBU;GDH20#,TRH200..SP..6FC;KDH20#,223,TRH223,224,228;GDH201.201312
87130DBLOWER ASSY
main87130-12531iTRH219..4D..GL;TRH221,226..02S;TRH200,211,214,216,223,224,228,229..(GC,GL,SGL)..CBU201312
main87130-26290iTRH219..4D..GL;TRH221,226..02S;TRH200,211,214,216,223,224,228,229..(GC,GL,SGL)..CBU201712
main87130-26231iTRH200..SP..6FC;TRH223,228..IV5;TRH200..5D..03S..6FC;TRH200..SRF..(06S,09S)..6FC;TRH200,214,219,221,223,226,228..(COM,V1,WG)..(HRF,SMRF)..6FC..DX..(CBU,IV5)201712
87131BCASE, HEATER BLOWER
87138CRESISTOR, BLOWER
main87138-26150iGDH206..IV5;TRH200..03S..4FC;GDH201..SRF..5D..DX;GDH201..V1..HRF..5D;TRH200..V1..HRF..6FC;TRH200..HRF..4FC..CBU;GDH20#,TRH200..SP..6FC;GDH201..SRF..4D..(06S,09S);GD201312
8715
87441GFILTER, HEATER AIR
87710GQUICK HEATER ASSY
main87710-26120iGDH20#..SP;GDH206..IV5;GDH206..5D..03S;GDH201..SRF..5D;GDH201..V1..HRF..5D;GDH201..SRF..4D..(06S,09S);GDH206,211,22#..(02S,05S,06S,09S,14S)..(CBU,IV6)201712
88482CAP, COOLER
88501EVAPORATOR SUB-ASSY, COOLER, NO.1
88515VALVE, COOLER EXPANSION
main88515-26100iGDH201..HRF..4D..CBU;GDH201,TRH200..V2..HRF..6FC;GDH20#,TRH200..4D..SG..03S..6FC..CBU201312-202312
main88515-26080iKDH20#,223;GDH20#..SP;GDH206..IV5;GDH206..5D..03S;GDH201..SRF..5D;GDH201..V1..HRF..5D;GDH201..SRF..4D..(06S,09S);GDH206,211,22#,KDH211,221..(02S,05S,06S,09S,14S)..(201312
88539JHOSE, DRAIN COOLER
main88539-26470iKDH20#;GDH206..IV5;GDH201..SRF..5D;TRH200..03S..4FC;GDH201..V1..HRF..5D;GDH206..05S,06S,09S;TRH200..V1..HRF..6FC;TRH200..HRF..4FC..CBU;GDH20#,TRH200..SP..6FC;GDH201201312
88548BCASE, AIR FILTER
main88548-26070iGDH201..HRF..4D..CBU;GDH201,TRH200..V2..HRF..6FC;GDH20#,TRH200..4D..SG..03S..6FC..CBU201312-202312
88625THERMISTOR, COOLER, NO.1
88650NAMPLIFIER ASSY, AIR CONDITIONER
main88650-26691supersedes 88650-26662iTRH219..4D..GL;TRH221,226..02S;TRH200,211,214,216,223,224,228,229..(GC,GL,SGL)..CBU201712-201809
main88650-26870iTRH200..SP..6FC;TRH223,228..IV5;TRH200..5D..03S..6FC;TRH200..SRF..(06S,09S)..6FC;TRH200,221,223,226,228..(COM,V1)..HRF..6FC..DX..(CBU,IV5)202005-202507
main88650-26610supersedes 88650-26600iTRH223,224,228..IV5;TRH200,214,219,221,223,226,228..DX..(CBU,IV5)201312-201501
main88650-26670supersedes 88650-26660iTRH221,226..02S;TRH200,21#,223,224,228,229..(GC,GL,SGL)..CBU201312-201501
8719387101
main87193-87101
9009900318
main90099-00318
9009900968
main90099-00968
9009904542
main90099-04542
9009914120
main90099-14120
9009914121
main90099-14121
9009932129
main90099-32129
9011906911
main90119-06911
9011906942
main90119-06942
9015960383
main90159-60383
90159T0005
main90159-T0005
90178T0018
main90178-T0018
9017906274
main90179-06274
9017906282
main90179-06282
9155380616
main91553-80616
9415180600
main94151-80600
35 parts on this diagram · 5 diagrams in section