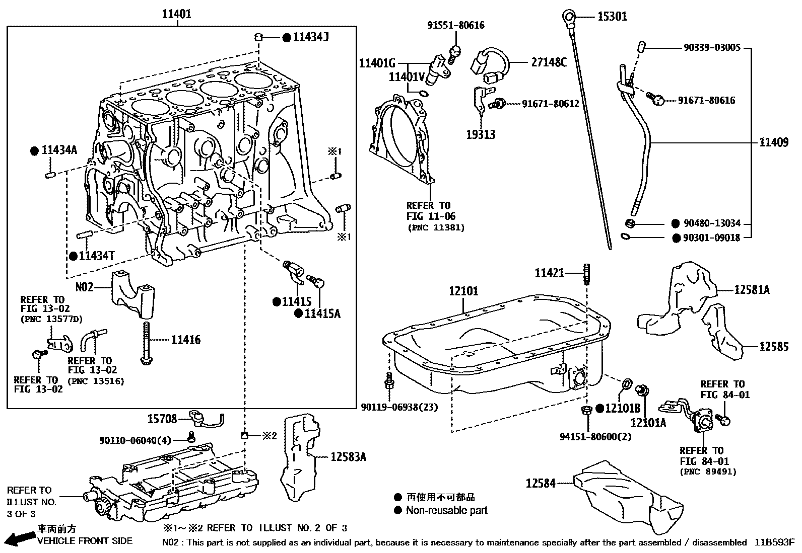
CYLINDER BLOCK

1106
11401BLOCK SUB-ASSY, CYLINDER
sub11401-75230
sub11401-80856
sub11401-80867
sub11401-80851
main11401-80871i1GDFTV..GDH20#..SP;1GDFTV..GDH206..IV5;1GDFTV..GDH206..5D..03S;1GDFTV..GDH201..SRF..5D;1GDFTV..GDH201..V1..HRF..5D;1GDFTV..GDH201..SRF..4D..(06S,09S);1GDFTV..GDH206202409
main11401-80A15i1GDFTV..GDH201..V2..HRF;1GDFTV..GDH201..HRF..4D..CBU;1GDFTV..GDH20#..4D..SG..03S..CBU202007-202312
11401GSENSOR, CRANK POSITION
11401VO-RING, CRANK POSITION SENSOR
11409GUIDE SUB-ASSY, OIL LEVEL GAGE
main11409-11022i1GDFTV..GDH20#..SP;1GDFTV..GDH206..IV5;1GDFTV..GDH206..5D..03S;1GDFTV..GDH201..SRF..5D;1GDFTV..GDH201..V1..HRF..5D;1GDFTV..GDH201..SRF..4D..(06S,09S);1GDFTV..GDH206201811
11415COCK SUB-ASSY, WATER DRAIN(FOR CYLINDER BLOCK)
main90910-09128i1GDFTV..GDH20#..SP;1GDFTV..GDH206..IV5;1GDFTV..GDH206..5D..03S;1GDFTV..GDH201..SRF..5D;1GDFTV..GDH201..V1..HRF..5D;1GDFTV..GDH201..SRF..4D..(06S,09S);1GDFTV..GDH206201712
11415APLUG, WATER DRAIN COCK(FOR CYLINDER BLOCK)
main90910-09087i1GDFTV..GDH201..V2..HRF;1GDFTV..GDH201..HRF..4D..CBU;1GDFTV..GDH20#..4D..SG..03S..CBU201712-202312
11416BOLT(FOR CRANKSHAFT BEARING CAP SET)
main90910-02191×10i1GDFTV..GDH201..V2..HRF;1GDFTV..GDH201..HRF..4D..CBU;1GDFTV..GDH20#..4D..SG..03S..CBU201712-202312
main90910-T2002×10i1TRFE..TRH200..SP..6FC;1TRFE..TRH200..5D..03S..6FC;1TRFE..TRH200..V1..HRF..6FC;1TRFE..TRH200..SRF..(05S,06S,09S)..6FC202307
11421BOLT, STUD(FOR OIL PAN)
main90126-06028×2i1GDFTV..GDH201..V2..HRF;1GDFTV..GDH201..HRF..4D..CBU;1GDFTV..GDH20#..4D..SG..03S..CBU201712-202312
11434APIN, STRAIGHT(FOR TIMING GEAR COVER SET)
11434JPIN, RING (FOR CYLINDER HEAD SET)
main90253-15016×2i1GDFTV..GDH20#..SP;1GDFTV..GDH206..IV5;1GDFTV..GDH206..5D..03S;1GDFTV..GDH201..SRF..5D;1GDFTV..GDH201..V1..HRF..5D;1GDFTV..GDH201..SRF..4D..(06S,09S);1GDFTV..GDH206201712
11434TPIN, RING(FOR TIMING BELT IDLER BRACKET SET)
12101PAN SUB-ASSY, OIL
main12101-11130i1GDFTV..GDH20#..SP;1GDFTV..GDH206..IV5;1GDFTV..GDH206..5D..03S;1GDFTV..GDH201..SRF..5D;1GDFTV..GDH201..V1..HRF..5D;1GDFTV..GDH201..SRF..4D..(06S,09S);1GDFTV..GDH206201712
12101APLUG(FOR OIL PAN DRAIN)
12101BGASKET(FOR OIL PAN DRAIN PLUG)
12581AINSULATOR, CYLINDER BLOCK, NO.1
12583AINSULATOR, CYLINDER BLOCK, NO.3
12584INSULATOR, CYLINDER BROCK, NO.4
12585INSULATOR, CYLINDER BROCK, NO.5
1302
15301GAGE SUB-ASSY, OIL LEVEL
main15301-11090i1GDFTV..GDH20#..SP;1GDFTV..GDH206..IV5;1GDFTV..GDH206..5D..03S;1GDFTV..GDH201..SRF..5D;1GDFTV..GDH201..V1..HRF..5D;1GDFTV..GDH201..SRF..4D..(06S,09S);1GDFTV..GDH206201712
15708NOZZLE SUB-ASSY, OIL, NO.1
main15708-11010×4i1GDFTV..GDH201..V2..HRF;1GDFTV..GDH201..HRF..4D..CBU;1GDFTV..GDH20#..4D..SG..03S..CBU201712-202312
19313BRACKET, CRANK POSITION SENSOR HARNESS
27148CWIRE, CONNECTING
8401
9011006040
main90110-06040
9011906938
main90119-06938
9030109018
main90301-09018
9033903005
main90339-03005
9048013034
main90480-13034
9155180616
main91551-80616
9167180612
main91671-80612
9167180616
main91671-80616
9415180600
main94151-80600
34 parts on this diagram · 9 diagrams in section