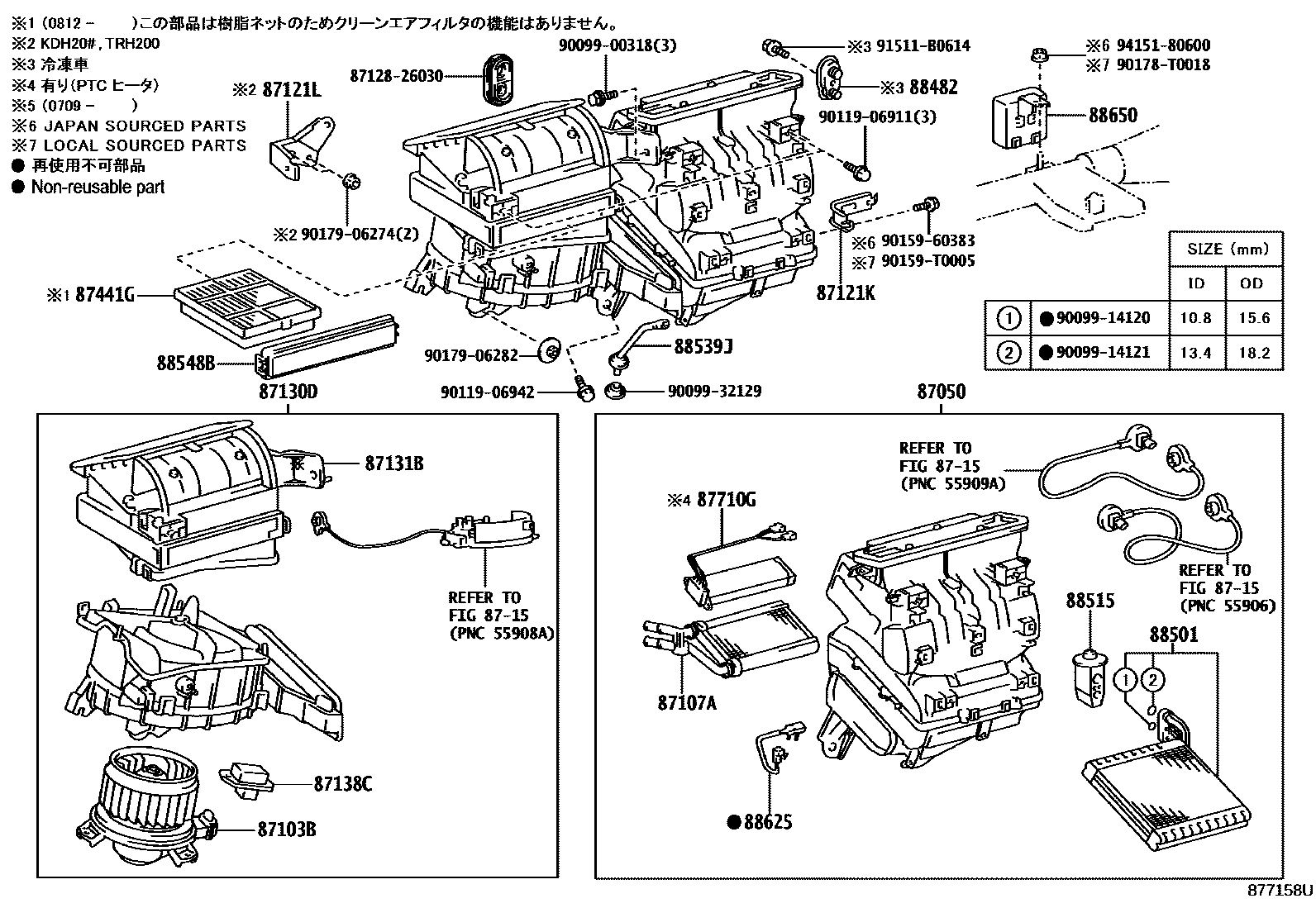
HEATING & AIR CONDITIONING - COOLER UNIT

87050RADIATOR ASSY, AIR CONDITIONER
87103BMOTOR SUB-ASSY, BLOWER W/FAN
main87103-12060iTRH221,226..02S;KDH20#,211,223,TRH200,21#,223,224,228,229..(GC,GL,SGL)..CBU201008-201312
main87103-26060iTRH221,226..02S;KDH201,206,211,223,TRH200,21#,223,224,228,229..(GC,GL,SGL)..CBU200408-201012
sub87103-26062
main87103-26062iKDH223,TRH223,224,228,229..IV5;KDH20#,22#,TRH200,214,219,221,223,226,228..(03S,06S,09S,10S,15S)..DX201101-201312
87107AUNIT SUB-ASSY, HEATER RADIATOR
main87107-26210iKDH223,TRH223,224,228,229..IV5;KDH201,206,223,TRH200,214,219,223,228..DX;KDH200,205,220,221,222,225,227,TRH221,226..03S,05S,06S,09S,15S200408-201312
main87107-42170iTRH221,226..02S;KDH20#,211,223,TRH200,21#,223,224,228,229..(GC,GL,SGL)..CBU201008-201312
87121LBRACKET, HEATER
87130DBLOWER ASSY
87131BCASE, HEATER BLOWER
main87131-26010iKDH223,TRH223,224,228,229..IV5;KDH20#,22#,TRH200,214,219,221,223,226,228..(03S,06S,09S,10S,15S)..DX200709-201312
87138CRESISTOR, BLOWER
main87138-26150iKDH223,TRH223,224,228,229..IV5;KDH201,206,223,TRH200,214,219,223,228..DX;KDH200,205,220,221,222,225,227,TRH221,226..03S,05S,06S,09S,15S200408-201312
8715
87441GFILTER, HEATER AIR
88482CAP, COOLER
88501EVAPORATOR SUB-ASSY, COOLER, NO.1
sub88501-26211
main88501-72011iKDH223,TRH223,224,228,229..IV5;KDH20#,22#,TRH200,214,219,221,223,226,228..(03S,06S,09S,10S,15S)..DX201009-201106
sub88501-72020
main88501-72020iKDH223,TRH223,224,228,229..IV5;KDH20#,22#,TRH200,214,219,221,223,226,228..(03S,06S,09S,10S,15S)..DX201106-201312
main88501-72020iTRH221,226..02S;KDH20#,211,223,TRH200,21#,223,224,228,229..(GC,GL,SGL)..CBU201008-201312
sub88501-26221
sub88501-26280
sub88501-26281
88515VALVE, COOLER EXPANSION
88539JHOSE, DRAIN COOLER
88548BCASE, AIR FILTER
88625THERMISTOR, COOLER, NO.1
88650AMPLIFIER ASSY, COOLER STABILIZER
sub88650-26431
main88650-26550iTRH223,224,228,229..IV5;TRH200,214,219,221,223,226,228..(03S,06S,09S,10S,15S)..DX201110-201312
8712826030GROMMET, HEATER
main87128-26030
9009900318
main90099-00318
9009914120
main90099-14120
9009914121
main90099-14121
9009932129
main90099-32129
9011906911
main90119-06911
9011906942
main90119-06942
9015960383
main90159-60383
90159T0005
main90159-T0005
90178T0018
main90178-T0018
9017906274
main90179-06274
9017906282
main90179-06282
91511B0614
main91511-B0614
9415180600
main94151-80600
32 parts on this diagram · 4 diagrams in section