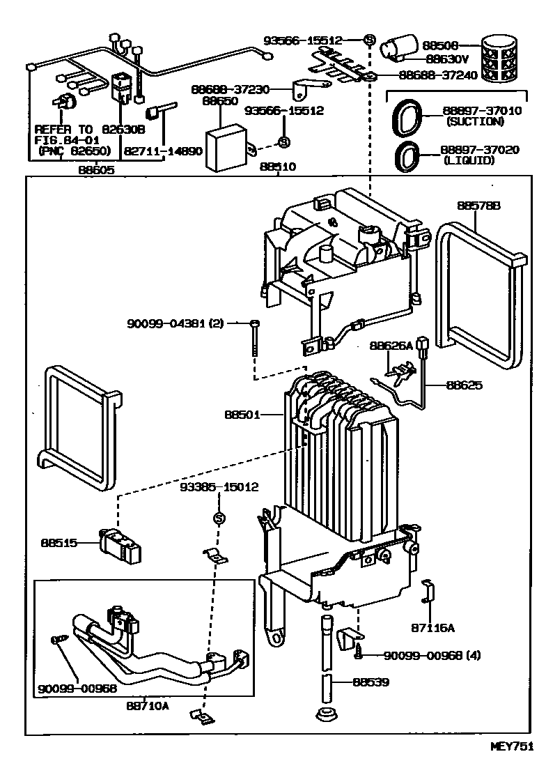
HEATING & AIR CONDITIONING - COOLER UNIT

82630BHOLDER ASSY, FUSE
8401
87116ASPRING, HOLDING (FOR COOLER UNIT CASE)
88501EVAPORATOR SUB-ASSY, COOLER, NO.1
sub88501-35021
88508FILTER SUB-ASSY, CLEAN AIR
88510UNIT ASSY, COOLER
sub88510-25060
88515VALVE, COOLER EXPANSION
sub88515-22240
88539HOSE, COOLER UNIT DRAIN, NO.1
88578BPACKING, COOLING UNIT, NO.1
88605HARNESS SUB-ASSY, COOLER WIRING, NO.1
88625THERMISTOR, COOLER, NO.1
sub88625-3A090
88626AHOLDER, THERMISTOR
88630VRELAY ASSY
88650AMPLIFIER ASSY, COOLER STABILIZER
88710ATUBE ASSY, AIR CONDITIONER
sub88710-37190
8271114890WIRE, FUSE TO FUSE(FOR COMBUSTION HEATER)
main82711-14890
8868837230BRACKET, COOLER DIAPHRAGM
main88688-37230
8868837240BRACKET, COOLER DIAPHRAGM
main88688-37240
8889737010VALVE, COOLER MAGNET
main88897-37010
8889737020VALVE, COOLER MAGNET
main88897-37020
9009900968
main90099-00968
9009904381
main90099-04381
9338515012
main93385-15012
9356615512
main93566-15512
24 parts on this diagram · 2 diagrams in section