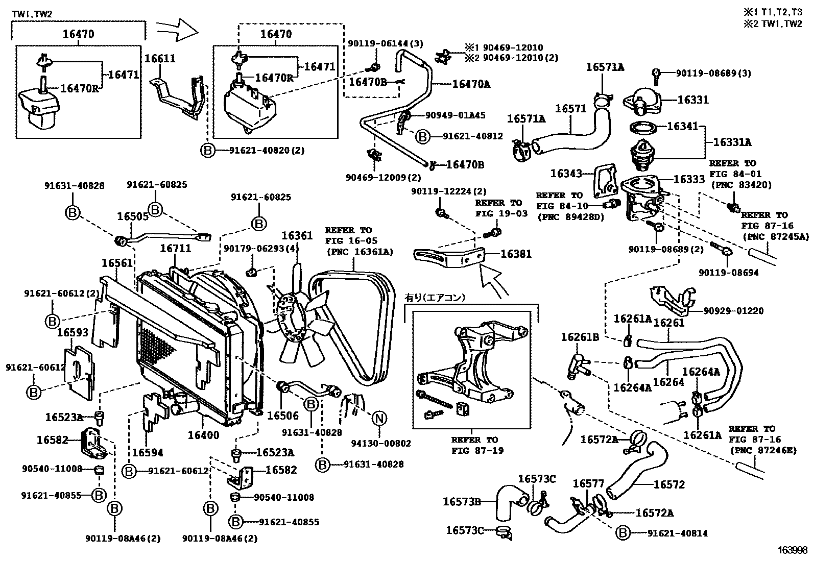
RADIATOR & WATER OUTLET

1605
16261HOSE, WATER BY-PASS
16261ACLAMP OR CLIP, HOSE(FOR WATER BY-PASS HOSE)
16261BUNION(FOR WATER BY-PASS HOSE)
16264HOSE, WATER BY-PASS, NO.2
16264ACLAMP OR CLIP(FOR WATER BY-PASS HOSE NO.2)
16331OUTLET, WATER
16331ATHERMOSTAT
16333HOUSING, WATER OUTLET
16341GASKET, WATER OUTLET
16343GASKET, WATER OUTLET HOUSING
16361FAN
16470TANK ASSY, RADIATOR RESERVE
16470AHOSE OR PIPE(FOR RADIATOR RESERVE TANK)
16470BCLAMP OR CLIP(FOR RADIATOR RESERVE TANK HOSE)
16470RHOSE, NO.2(FOR RADIATOR RESERVE TANK)
16505SUPPORT SUB-ASSY, RADIATOR, RH
16506SUPPORT SUB-ASSY, RADIATOR, LH
16523ACUSHION, RADIATOR SUPPORT
16561SEAL, RADIATOR TO SUPPORT, NO.1
16571HOSE, RADIATOR, INLET
16571ACLAMP OR CLIP, HOSE(FOR RADIATOR INLET)
sub90467-37003
16572ACLAMP OR CLIP, HOSE(FOR RADIATOR OUTLET NO.1)
sub90467-37005
RADIATOR SIDE
RADIATOR PIPE SIDE
ENGINE SIDE
16573BHOSE, RADIATOR, NO.3
16573CCLAMP OR CLIP, RADIATOR HOSE, NO.3
16582BRACKET, RADIATOR, NO.1
16593GUIDE, RADIATOR AIR, NO.1
16594GUIDE, RADIATOR AIR, NO.2
16611BRACKET, RADIATOR RESERVE TANK
1903
8401
8410
8716
8719
9011906144
main90119-06144
9011908689
main90119-08689
9011908694
main90119-08694
9011908A46
main90119-08A46
9011912224
main90119-12224
9017906293
main90179-06293
9046912009
main90469-12009
9046912010
main90469-12010
9054011008
main90540-11008
9092901220
main90929-01220
9094901A45
main90949-01A45
9162140812
main91621-40812
9162140814
main91621-40814
9162140820
main91621-40820
9162140855
main91621-40855
9162160612
main91621-60612
9162160825
main91621-60825
9163140828
main91631-40828
9413000802
main94130-00802
59 parts on this diagram · 7 diagrams in section