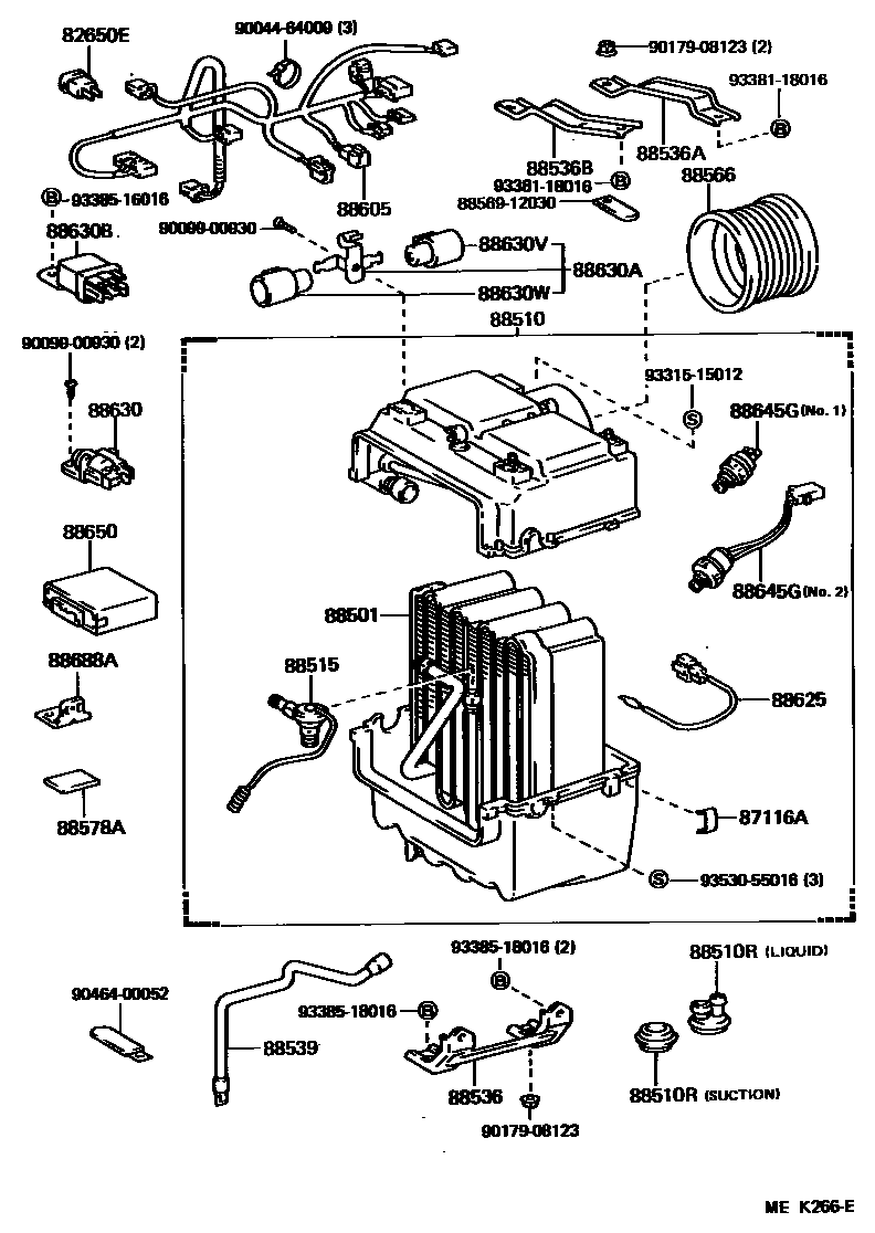
HEATING & AIR CONDITIONING - COOLER UNIT

82650EBREAKER ASSY, WIRING CIRCUIT
87116ASPRING, HOLDING (FOR COOLER UNIT CASE)
88501EVAPORATOR SUB-ASSY, COOLER, NO.1
88510UNIT ASSY, COOLER
88510RGROMMET (FOR COOLER UNIT)
LIQUID PIPE
SUCTION
LIQUID
SUCTION PIPE
88515VALVE, COOLER EXPANSION
88536BRACKET, COOLING UNIT, NO.1
88536ABRACKET, COOLING UNIT, NO.2
88536BBRACKET, COOLING UNIT, NO.3
88539HOSE, COOLER UNIT DRAIN, NO.1
88566DUCT, COOLER AIR, NO.1
88578APACKING, COOLER STABILIZER AMPLIFIER
88605HARNESS SUB-ASSY, COOLER WIRING, NO.1
88625THERMISTOR, COOLER, NO.1
sub88625-28150
88630RELAY ASSY, COOLER
88630BRELAY ASSY, COOLER
88630VRELAY ASSY
88630WRELAY ASSY
88650AMPLIFIER ASSY, COOLER STABILIZER
88688ABRACKET, COOLER STABILIZER AMPLIFIER
8856912030CLAMP (FOR COOLER RELAY)
main88569-12030
9004464009
main90044-64009
9009900930
main90099-00930
9017908123
main90179-08123
9046400052
main90464-00052
9331515012
main93315-15012
9338118016
main93381-18016
9338516016
main93385-16016
9338518016
main93385-18016
9353055016
main93530-55016
32 parts on this diagram · 1 diagram in section